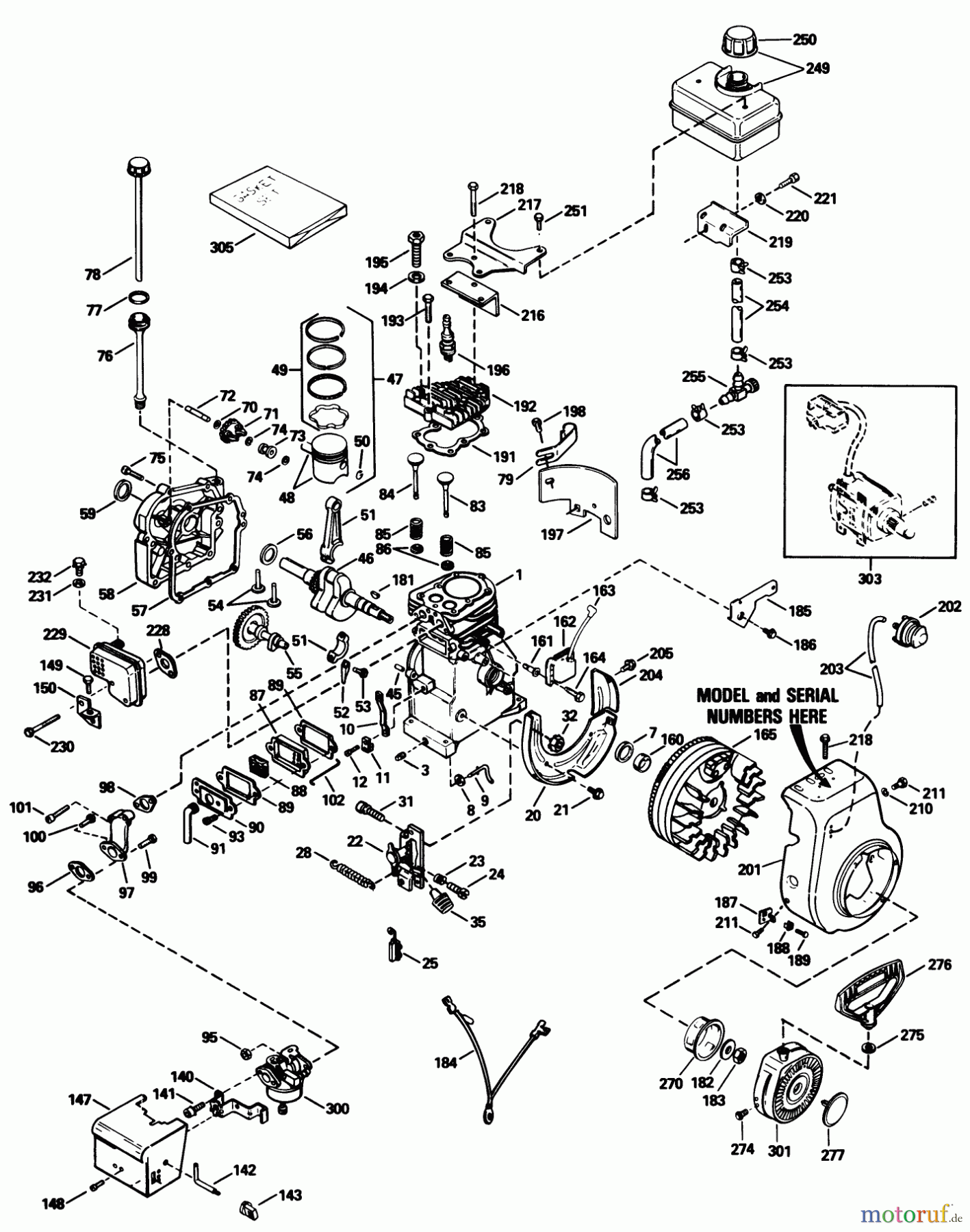
Toro 38054 (521) - 521 Snowthrower, 1990 (0000001-0999999) ENGINE TECUMSEH MODEL HS50-67259J Ersatzteile
ENGINE TECUMSEH MODEL HS50-67259J 38054 (521) - Toro 521 Snowthrower, 1990 (0000001-0999999)

Hier finden Sie die Ersatzteilzeichnung für Toro Neu Snow Blowers/Snow Throwers Seite 1 38054 (521) - Toro 521 Snowthrower, 1990 (0000001-0999999) ENGINE TECUMSEH MODEL HS50-67259J. Wählen Sie das benötigte Ersatzteil aus der Ersatzteilliste Ihres Toro Gerätes aus und bestellen Sie einfach online. Viele Toro Ersatzteile halten wir ständig in unserem Lager für Sie bereit.





