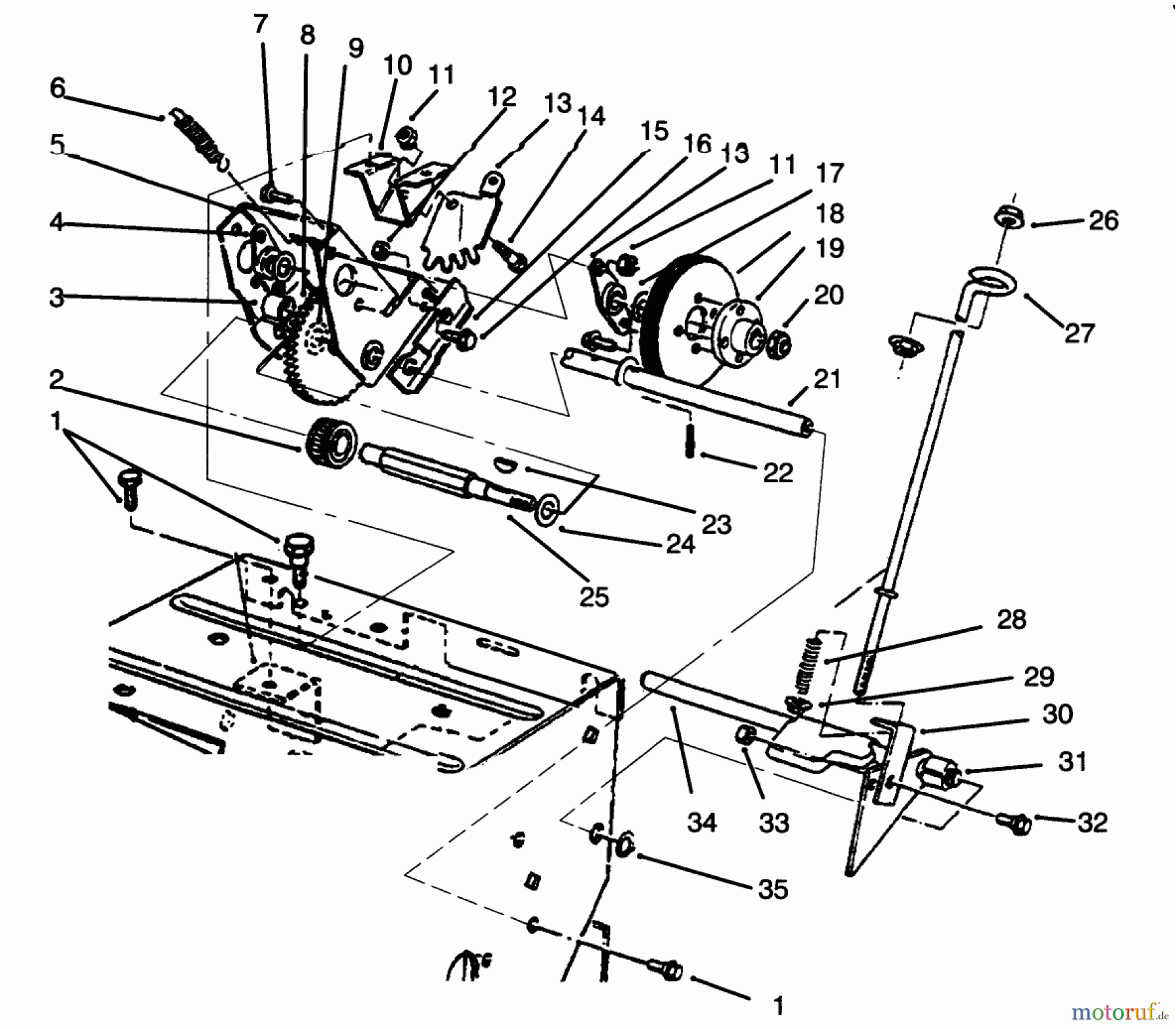
Toro 38052 (521) - 521 Snowthrower, 1996 (69000001-69999999) TRACTION ASSEMBLY #2 Ersatzteile
TRACTION ASSEMBLY #2 38052 (521) - Toro 521 Snowthrower, 1996 (69000001-69999999)

Hier finden Sie die Ersatzteilzeichnung für Toro Neu Snow Blowers/Snow Throwers Seite 1 38052 (521) - Toro 521 Snowthrower, 1996 (69000001-69999999) TRACTION ASSEMBLY #2. Wählen Sie das benötigte Ersatzteil aus der Ersatzteilliste Ihres Toro Gerätes aus und bestellen Sie einfach online. Viele Toro Ersatzteile halten wir ständig in unserem Lager für Sie bereit.






