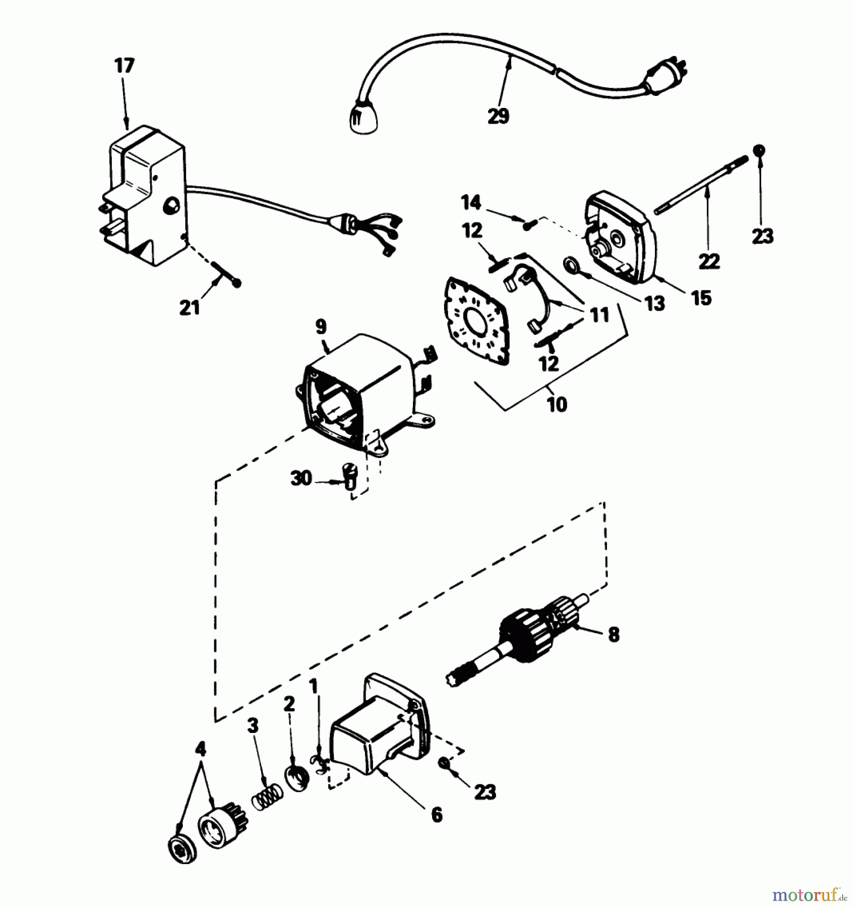
Toro 38052 (521) - 521 Snowthrower, 1986 (6000001-6999999) STARTER MOTOR KIT NO. 23-3790 Ersatzteile
STARTER MOTOR KIT NO. 23-3790 38052 (521) - Toro 521 Snowthrower, 1986 (6000001-6999999)

Hier finden Sie die Ersatzteilzeichnung für Toro Neu Snow Blowers/Snow Throwers Seite 1 38052 (521) - Toro 521 Snowthrower, 1986 (6000001-6999999) STARTER MOTOR KIT NO. 23-3790. Wählen Sie das benötigte Ersatzteil aus der Ersatzteilliste Ihres Toro Gerätes aus und bestellen Sie einfach online. Viele Toro Ersatzteile halten wir ständig in unserem Lager für Sie bereit.
| BildNr | Artikel Nummer | Bezeichnung | |
| 1 | TC32738 | RET RING | |
| 2 | TC33522 | SICHERUNGSRING | |
| 3 | TC33769 | FEDER | |
| 4 | TC33524 | USE 37332 | |
| 6 | TC33526 | END CAP | |
| 8 | TC33527 | ||
| 9 | TC33528 | ||
| 10 | TC33438 | ||
| 11 | TC33439 | KOHLEBUERSTE KPL, | |
| 12 | TC33440 | FEDER | |
| 13 | TC590500 | WASHER | |
| 14 | TC33441 | SCHRAUBE | |
| 15 | TC33442 | ||
| 17 | TC34665 | ||
| 21 | TC650819 | SCHRAUBE | |
| 22 | TC33529 | BOLZEN | |
| 23 | TC33450 | USE 651016 | |
| 29 | TC32450 | USE 32450A | |
| 30 | TC650759 | SCHRAUBE | |



