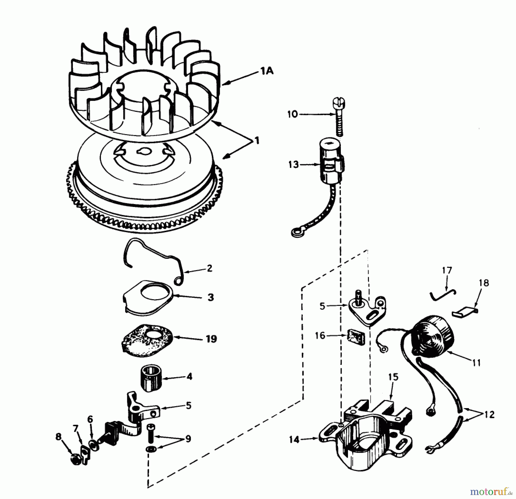
Toro 38050 (724) - 724 Snowthrower, 1980 (0000001-0999999) MAGNETO NO. 610694A Ersatzteile
MAGNETO NO. 610694A 38050 (724) - Toro 724 Snowthrower, 1980 (0000001-0999999)

Hier finden Sie die Ersatzteilzeichnung für Toro Neu Snow Blowers/Snow Throwers Seite 1 38050 (724) - Toro 724 Snowthrower, 1980 (0000001-0999999) MAGNETO NO. 610694A. Wählen Sie das benötigte Ersatzteil aus der Ersatzteilliste Ihres Toro Gerätes aus und bestellen Sie einfach online. Viele Toro Ersatzteile halten wir ständig in unserem Lager für Sie bereit.



