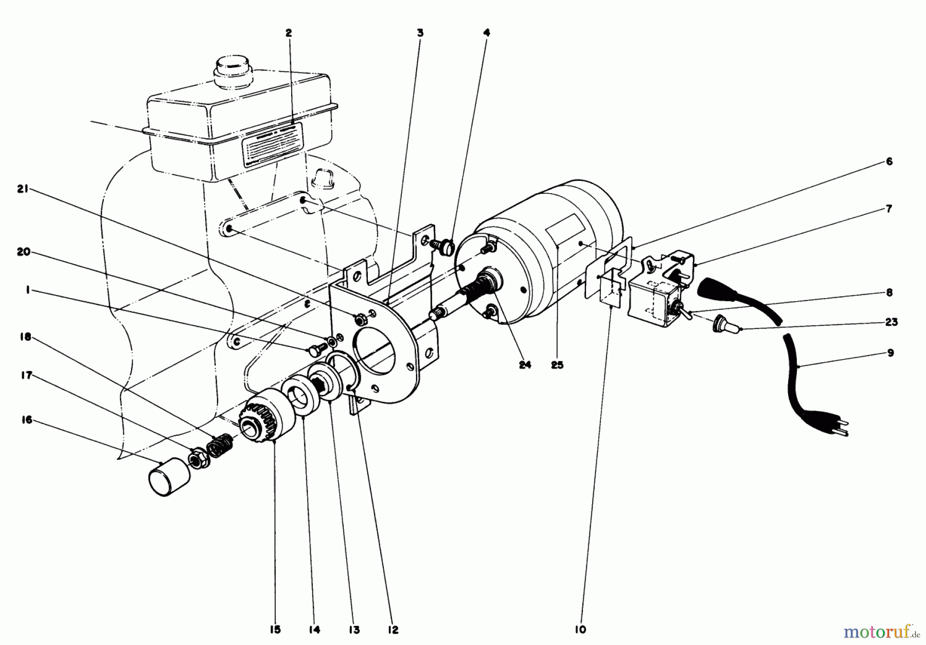
Toro 38040 (524) - 524 Snowthrower, 1979 (9000001-9999999) STARTER MOTOR KIT MODEL 23-4410 (FOR SNOWTHROWERS MODEL NO. 38050) Ersatzteile
STARTER MOTOR KIT MODEL 23-4410 (FOR SNOWTHROWERS MODEL NO. 38050) 38040 (524) - Toro 524 Snowthrower, 1979 (9000001-9999999)

Hier finden Sie die Ersatzteilzeichnung für Toro Neu Snow Blowers/Snow Throwers Seite 1 38040 (524) - Toro 524 Snowthrower, 1979 (9000001-9999999) STARTER MOTOR KIT MODEL 23-4410 (FOR SNOWTHROWERS MODEL NO. 38050). Wählen Sie das benötigte Ersatzteil aus der Ersatzteilliste Ihres Toro Gerätes aus und bestellen Sie einfach online. Viele Toro Ersatzteile halten wir ständig in unserem Lager für Sie bereit.



