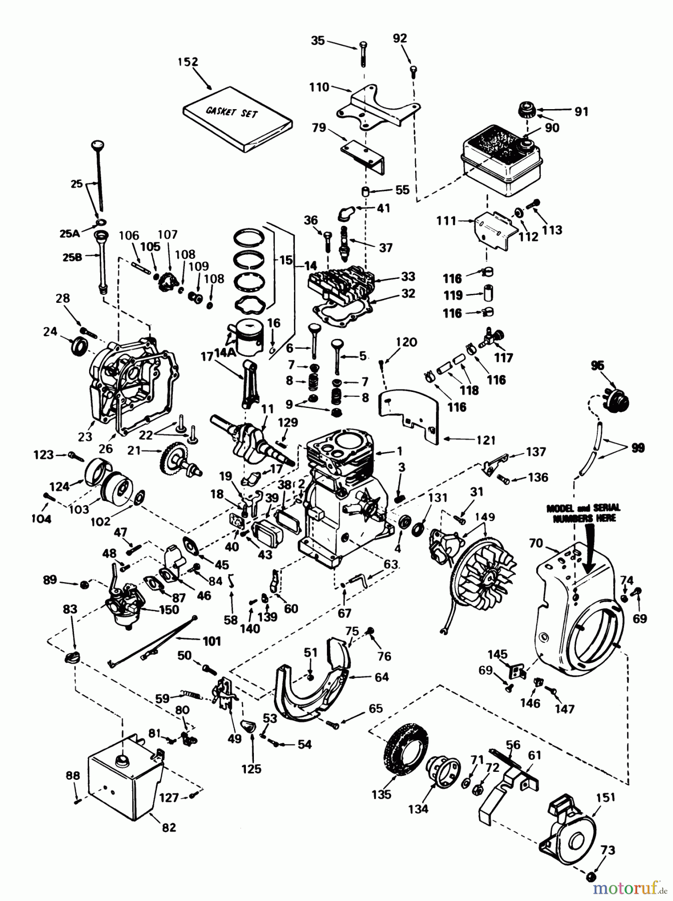
Toro 38035 (3521) - 3521 Snowthrower, 1984 (4000001-4999999) ENGINE TECUMSEH MODEL H35-45582N Ersatzteile
ENGINE TECUMSEH MODEL H35-45582N 38035 (3521) - Toro 3521 Snowthrower, 1984 (4000001-4999999)

Hier finden Sie die Ersatzteilzeichnung für Toro Neu Snow Blowers/Snow Throwers Seite 1 38035 (3521) - Toro 3521 Snowthrower, 1984 (4000001-4999999) ENGINE TECUMSEH MODEL H35-45582N. Wählen Sie das benötigte Ersatzteil aus der Ersatzteilliste Ihres Toro Gerätes aus und bestellen Sie einfach online. Viele Toro Ersatzteile halten wir ständig in unserem Lager für Sie bereit.






