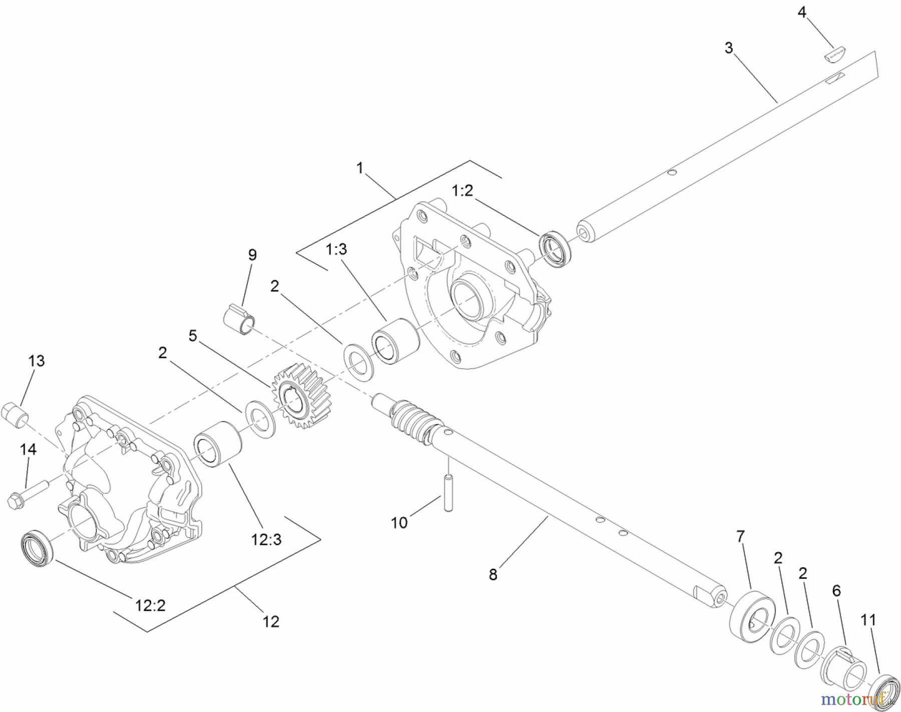
Toro 37772 - Power Max 826 OE Snowthrower, 2013 (SN 313000001-313999999) 26 INCH AUGER GEARCASE ASSEMBLY NO. 119-7641 Ersatzteile
26 INCH AUGER GEARCASE ASSEMBLY NO. 119-7641 37772 - Toro Power Max 826 OE Snowthrower, 2013 (SN 313000001-313999999)

Hier finden Sie die Ersatzteilzeichnung für Toro Neu Snow Blowers/Snow Throwers Seite 1 37772 - Toro Power Max 826 OE Snowthrower, 2013 (SN 313000001-313999999) 26 INCH AUGER GEARCASE ASSEMBLY NO. 119-7641. Wählen Sie das benötigte Ersatzteil aus der Ersatzteilliste Ihres Toro Gerätes aus und bestellen Sie einfach online. Viele Toro Ersatzteile halten wir ständig in unserem Lager für Sie bereit.



