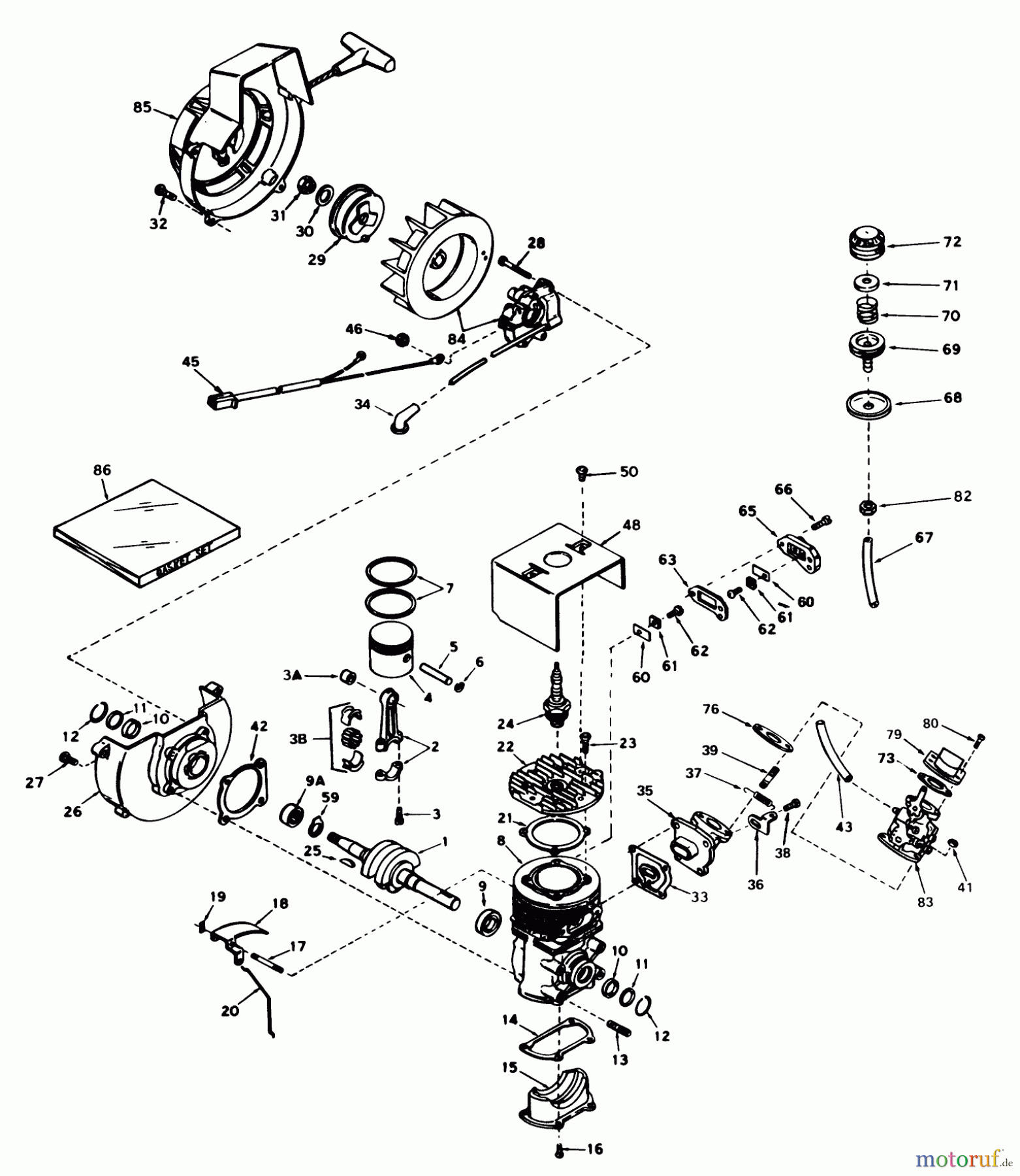
Toro 31506 - Snowmaster, 1976 (6000001-6999999) ENGINE ASSEMBLY ENGINE, TECUMSEH MODEL NO. AH 520 TYPE 1574A Ersatzteile
ENGINE ASSEMBLY ENGINE, TECUMSEH MODEL NO. AH 520 TYPE 1574A 31506 - Toro Snowmaster, 1976 (6000001-6999999)

Hier finden Sie die Ersatzteilzeichnung für Toro Neu Snow Blowers/Snow Throwers Seite 1 31506 - Toro Snowmaster, 1976 (6000001-6999999) ENGINE ASSEMBLY ENGINE, TECUMSEH MODEL NO. AH 520 TYPE 1574A. Wählen Sie das benötigte Ersatzteil aus der Ersatzteilliste Ihres Toro Gerätes aus und bestellen Sie einfach online. Viele Toro Ersatzteile halten wir ständig in unserem Lager für Sie bereit.


Qualitätsmanagement
Informieren Sie uns, wenn Sie einen Fehler gefunden haben.

