Toro 31411 - Snow Pup, 1971 (1000001-1999999) UPPER MAIN FRAME Ersatzteile
UPPER MAIN FRAME 31411 - Toro Snow Pup, 1971 (1000001-1999999)

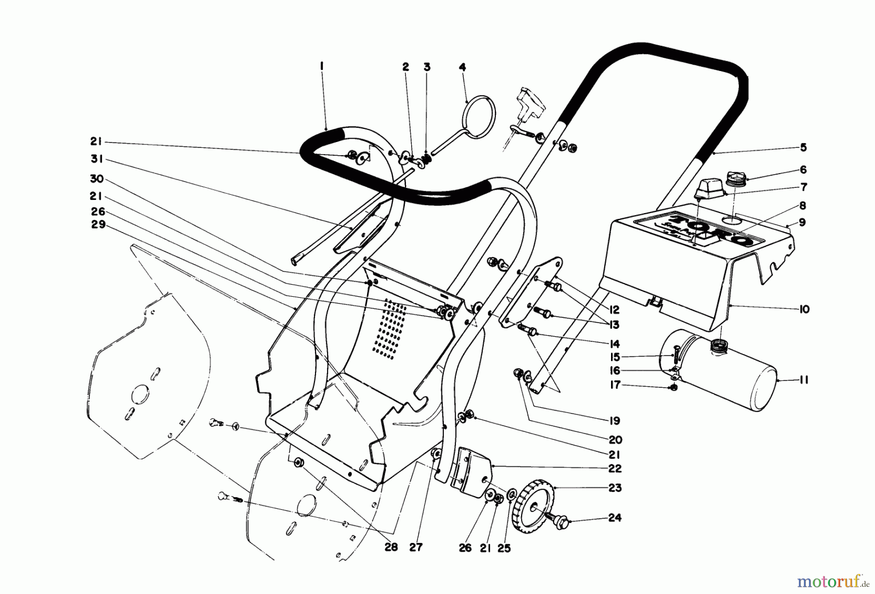
Hier finden Sie die Ersatzteilzeichnung für Toro Neu Snow Blowers/Snow Throwers Seite 1 31411 - Toro Snow Pup, 1971 (1000001-1999999) UPPER MAIN FRAME. Wählen Sie das benötigte Ersatzteil aus der Ersatzteilliste Ihres Toro Gerätes aus und bestellen Sie einfach online. Viele Toro Ersatzteile halten wir ständig in unserem Lager für Sie bereit.



