Toro 31411 - Snow Pup, 1971 (1000001-1999999) ENGINE MODEL NO. AH-520 TYPES 1401F & 1450E Ersatzteile
ENGINE MODEL NO. AH-520 TYPES 1401F & 1450E 31411 - Toro Snow Pup, 1971 (1000001-1999999)

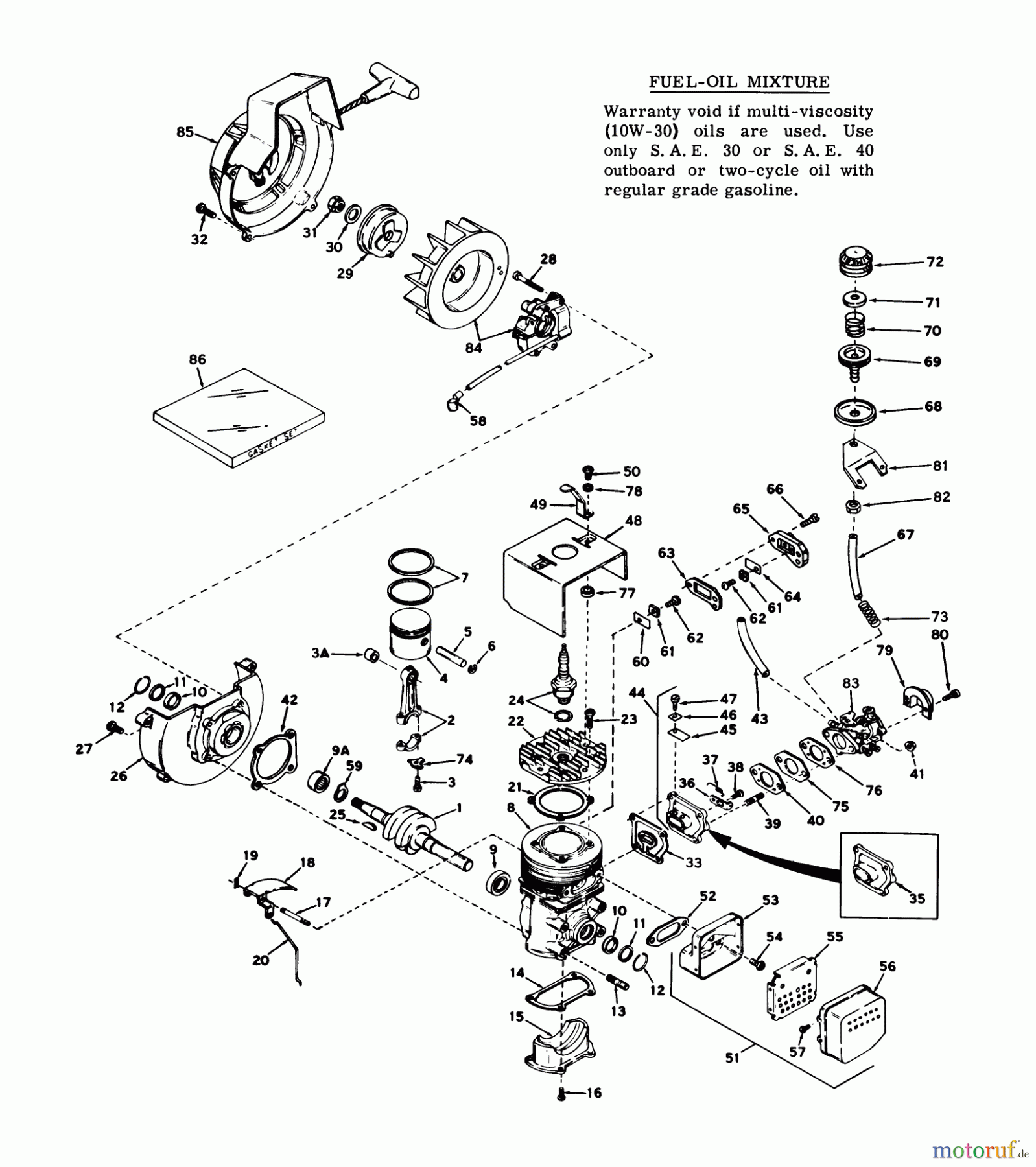
Hier finden Sie die Ersatzteilzeichnung für Toro Neu Snow Blowers/Snow Throwers Seite 1 31411 - Toro Snow Pup, 1971 (1000001-1999999) ENGINE MODEL NO. AH-520 TYPES 1401F & 1450E. Wählen Sie das benötigte Ersatzteil aus der Ersatzteilliste Ihres Toro Gerätes aus und bestellen Sie einfach online. Viele Toro Ersatzteile halten wir ständig in unserem Lager für Sie bereit.



