Toro 31304 - Snowhound, 1974 (4000001-4999999) ENGINE AND DRIVE ASSEMBLY Ersatzteile
ENGINE AND DRIVE ASSEMBLY 31304 - Toro Snowhound, 1974 (4000001-4999999)

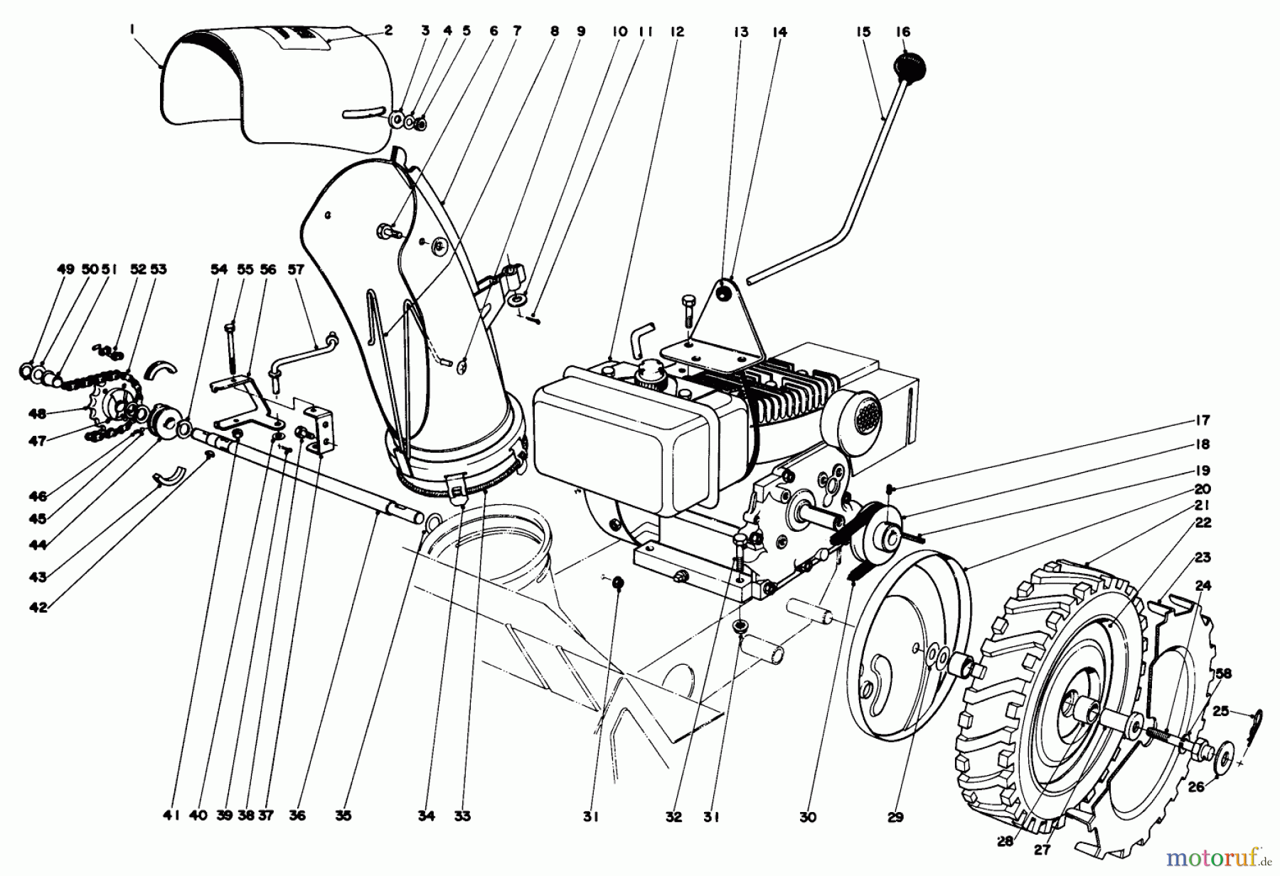
Hier finden Sie die Ersatzteilzeichnung für Toro Neu Snow Blowers/Snow Throwers Seite 1 31304 - Toro Snowhound, 1974 (4000001-4999999) ENGINE AND DRIVE ASSEMBLY. Wählen Sie das benötigte Ersatzteil aus der Ersatzteilliste Ihres Toro Gerätes aus und bestellen Sie einfach online. Viele Toro Ersatzteile halten wir ständig in unserem Lager für Sie bereit.


Qualitätsmanagement
Informieren Sie uns, wenn Sie einen Fehler gefunden haben.

