Toro 06-42ST02 - 42" Snowthrower, 1981 SNOWTHROWER-42 IN. (107 CM) VEHICLE IDENTIFICATION NUMBER 06-42ST02 #1 Ersatzteile
SNOWTHROWER-42 IN. (107 CM) VEHICLE IDENTIFICATION NUMBER 06-42ST02 #1 06-42ST02 - Toro 42" Snowthrower, 1981

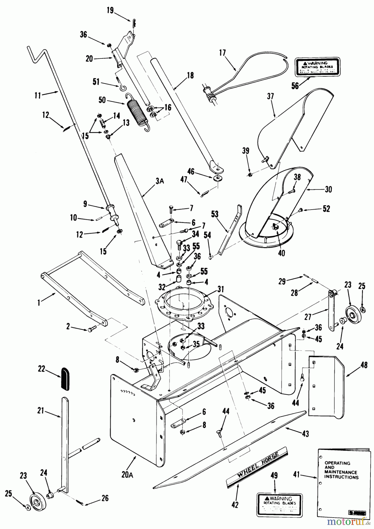
Hier finden Sie die Ersatzteilzeichnung für Toro Neu Snow Blowers/Snow Throwers Seite 1 06-42ST02 - Toro 42" Snowthrower, 1981 SNOWTHROWER-42 IN. (107 CM) VEHICLE IDENTIFICATION NUMBER 06-42ST02 #1. Wählen Sie das benötigte Ersatzteil aus der Ersatzteilliste Ihres Toro Gerätes aus und bestellen Sie einfach online. Viele Toro Ersatzteile halten wir ständig in unserem Lager für Sie bereit.



