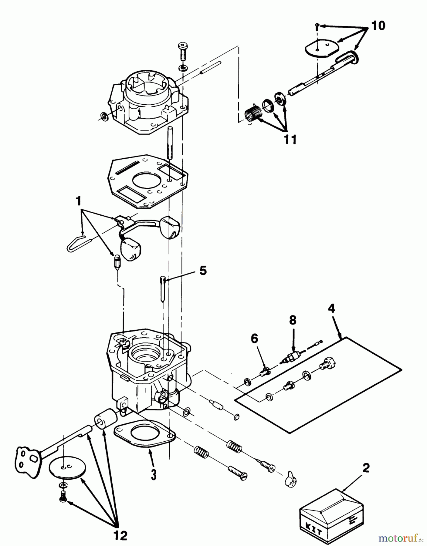
Toro Z1-24OE05 (724-Z) - 724-Z Tractor, 1992 (2000001-2999999) CARBURETOR COMONENTS Ersatzteile
CARBURETOR COMONENTS Z1-24OE05 (724-Z) - Toro 724-Z Tractor, 1992 (2000001-2999999)

Hier finden Sie die Ersatzteilzeichnung für Toro Neu Mowers, Zero-Turn Z1-24OE05 (724-Z) - Toro 724-Z Tractor, 1992 (2000001-2999999) CARBURETOR COMONENTS. Wählen Sie das benötigte Ersatzteil aus der Ersatzteilliste Ihres Toro Gerätes aus und bestellen Sie einfach online. Viele Toro Ersatzteile halten wir ständig in unserem Lager für Sie bereit.
| BildNr | Artikel Nummer | Bezeichnung | |
| 1 | TR62-2800 | Schwimmer | |
| 2 | TR82-0780 | Vergaserreparatur-Satz | |
| 3 | TR82-0850 | Dichtung | |
| 4 | TR82-0740 | JET-FIXED, HIGH ALTITUDE | |
| 5 | TR82-0750 | Duese | |
| 6 | TR82-0790 | Duese | |
| 8 | TR82-0800 | Schalter | |
| 10 | TR72-3860 | CHOKE KIT SHAFT | |
| 11 | TR72-3870 | CHOKE KIT LEVER | |
| 12 | TR82-0810 | Drosselklappe | |


Qualitätsmanagement
Informieren Sie uns, wenn Sie einen Fehler gefunden haben.

