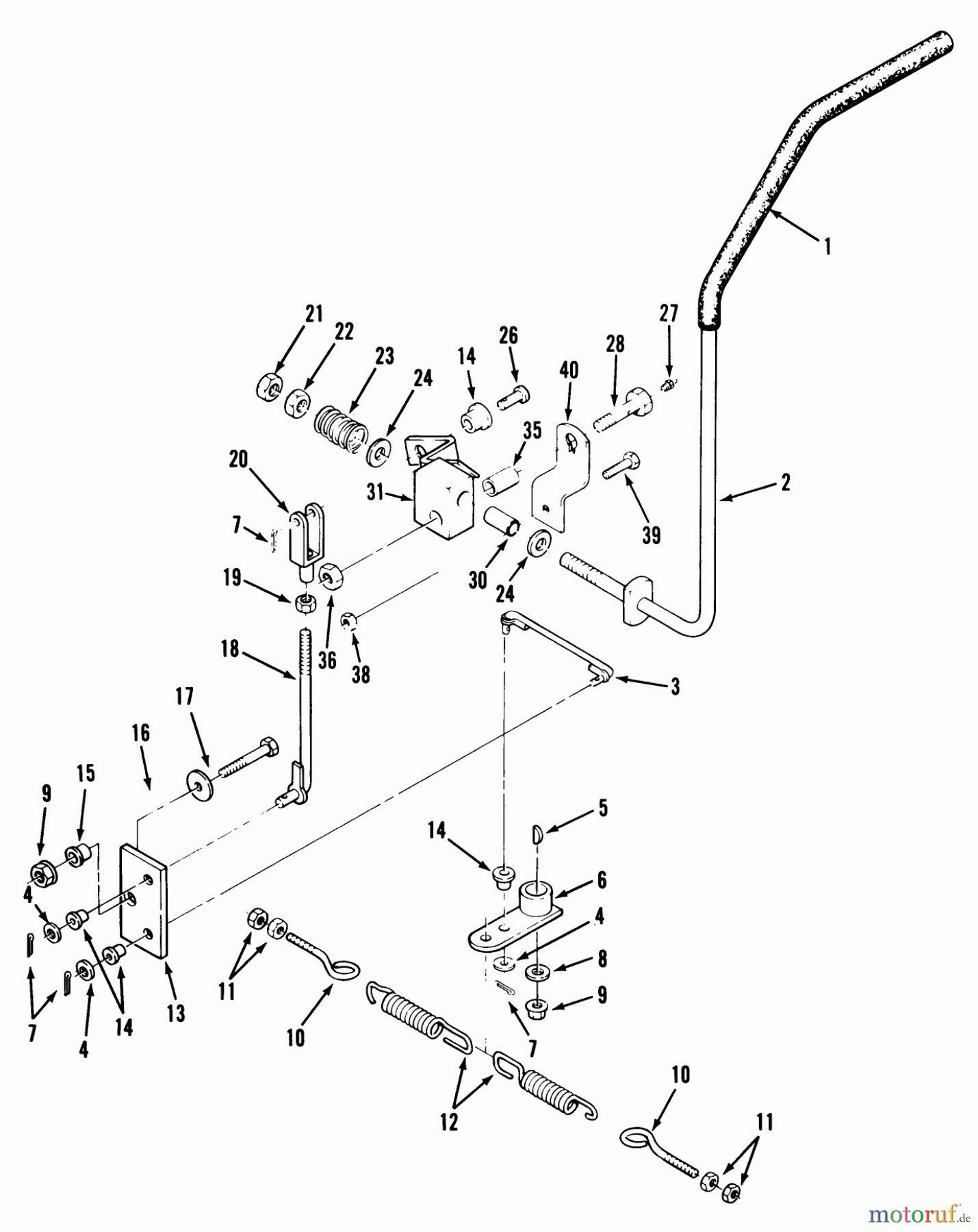
Toro Z1-24OE03 (724-Z) - 724-Z Tractor, 1990 TRANSMISSION DRIVE LINKAGE Ersatzteile
TRANSMISSION DRIVE LINKAGE Z1-24OE03 (724-Z) - Toro 724-Z Tractor, 1990

Hier finden Sie die Ersatzteilzeichnung für Toro Neu Mowers, Zero-Turn Z1-24OE03 (724-Z) - Toro 724-Z Tractor, 1990 TRANSMISSION DRIVE LINKAGE. Wählen Sie das benötigte Ersatzteil aus der Ersatzteilliste Ihres Toro Gerätes aus und bestellen Sie einfach online. Viele Toro Ersatzteile halten wir ständig in unserem Lager für Sie bereit.


Qualitätsmanagement
Informieren Sie uns, wenn Sie einen Fehler gefunden haben.

