Toro Z1-24OE03 (724-Z) - 724-Z Tractor, 1990 ENGINE AND FUEL SYSTEM Ersatzteile
ENGINE AND FUEL SYSTEM Z1-24OE03 (724-Z) - Toro 724-Z Tractor, 1990

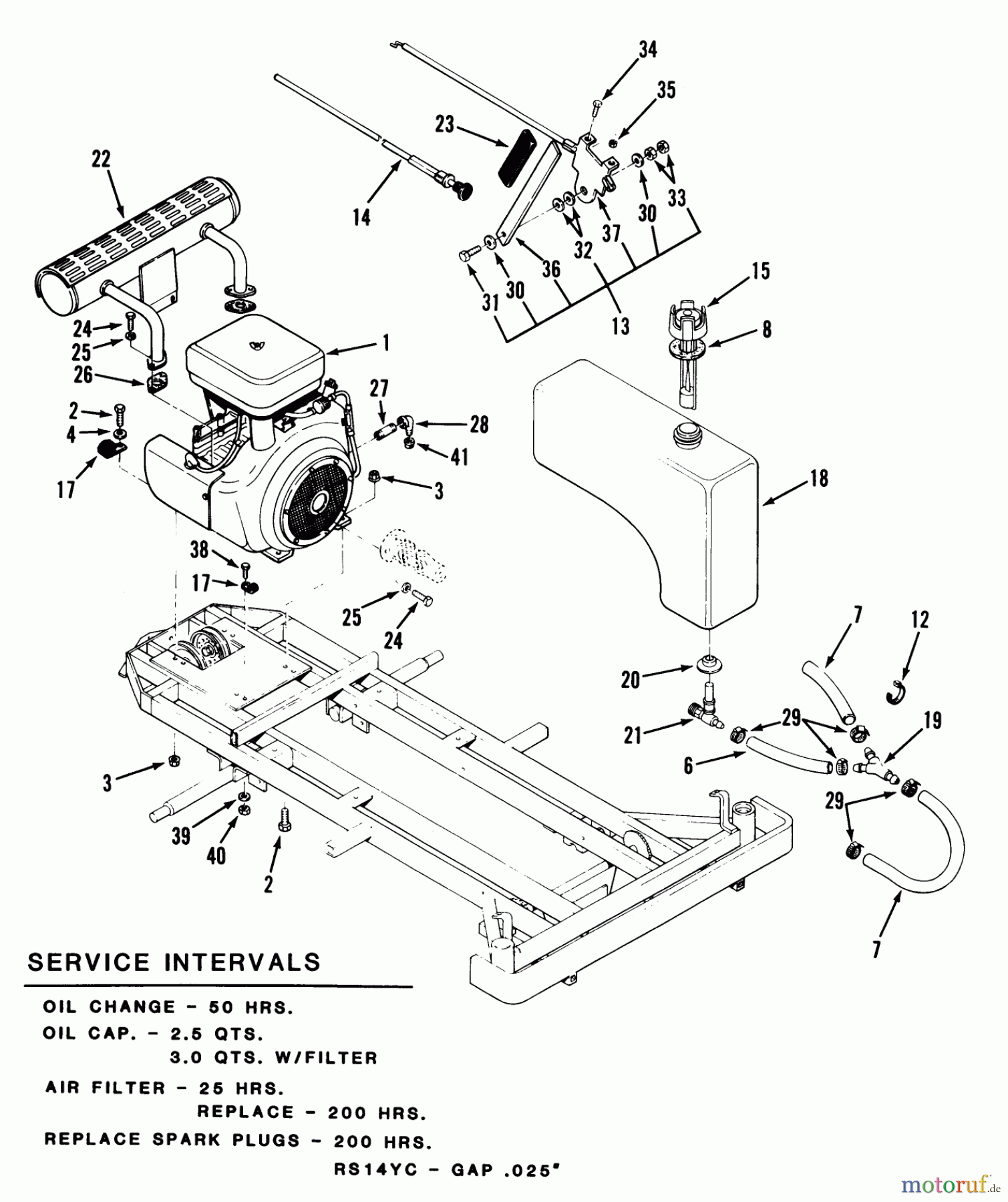
Hier finden Sie die Ersatzteilzeichnung für Toro Neu Mowers, Zero-Turn Z1-24OE03 (724-Z) - Toro 724-Z Tractor, 1990 ENGINE AND FUEL SYSTEM. Wählen Sie das benötigte Ersatzteil aus der Ersatzteilliste Ihres Toro Gerätes aus und bestellen Sie einfach online. Viele Toro Ersatzteile halten wir ständig in unserem Lager für Sie bereit.



