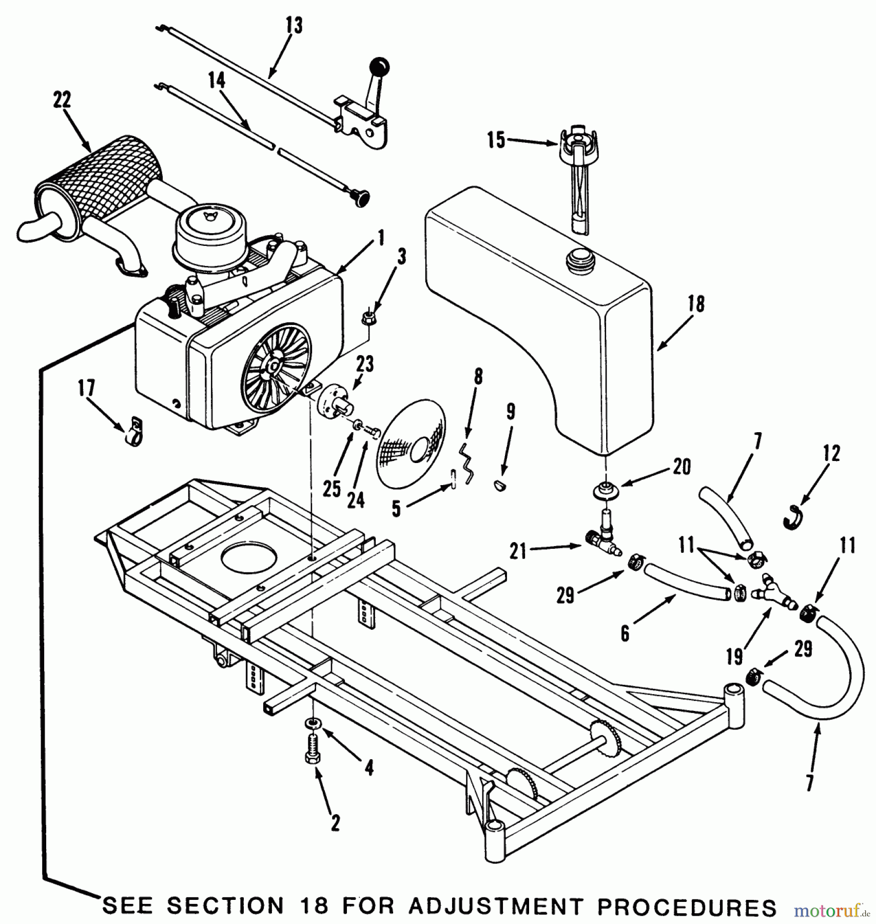
Toro Z1-18KE01 (718-Z) - 718-Z Tractor, 1986 ENGINE AND FUEL SYSTEMS Ersatzteile
ENGINE AND FUEL SYSTEMS Z1-18KE01 (718-Z) - Toro 718-Z Tractor, 1986

Hier finden Sie die Ersatzteilzeichnung für Toro Neu Mowers, Zero-Turn Z1-18KE01 (718-Z) - Toro 718-Z Tractor, 1986 ENGINE AND FUEL SYSTEMS. Wählen Sie das benötigte Ersatzteil aus der Ersatzteilliste Ihres Toro Gerätes aus und bestellen Sie einfach online. Viele Toro Ersatzteile halten wir ständig in unserem Lager für Sie bereit.


Qualitätsmanagement
Informieren Sie uns, wenn Sie einen Fehler gefunden haben.

