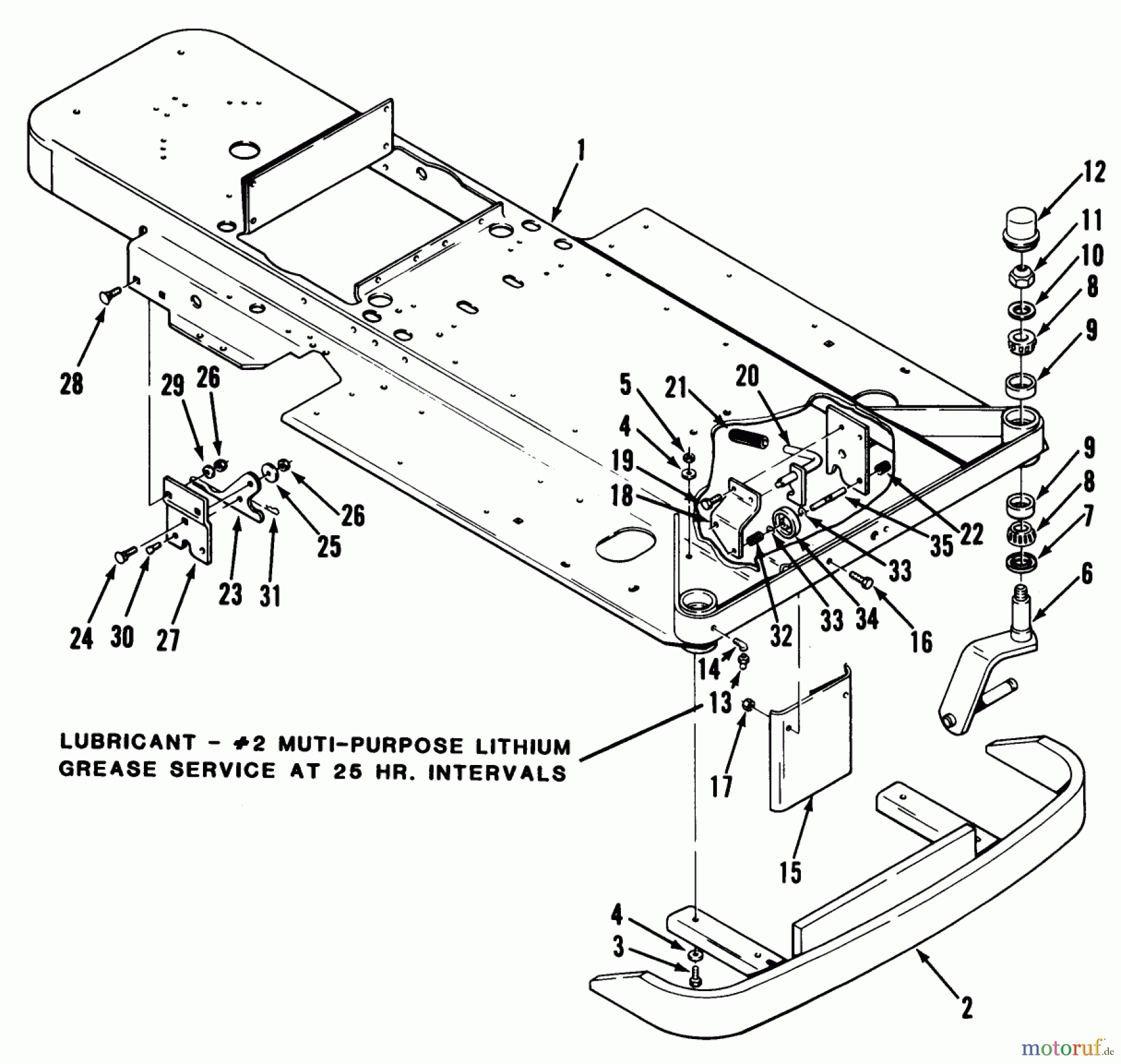
Toro Y1-16OE02 (616-Z) - 616-Z Tractor, 1990 FRAME AND FRONT WHEEL FORK Ersatzteile
FRAME AND FRONT WHEEL FORK Y1-16OE02 (616-Z) - Toro 616-Z Tractor, 1990

Hier finden Sie die Ersatzteilzeichnung für Toro Neu Mowers, Zero-Turn Y1-16OE02 (616-Z) - Toro 616-Z Tractor, 1990 FRAME AND FRONT WHEEL FORK. Wählen Sie das benötigte Ersatzteil aus der Ersatzteilliste Ihres Toro Gerätes aus und bestellen Sie einfach online. Viele Toro Ersatzteile halten wir ständig in unserem Lager für Sie bereit.


Qualitätsmanagement
Informieren Sie uns, wenn Sie einen Fehler gefunden haben.

