Toro Y1-16OE01 (616-Z) - 616-Z Tractor, 1989 SECTION 9-OIL FILTER Ersatzteile
SECTION 9-OIL FILTER Y1-16OE01 (616-Z) - Toro 616-Z Tractor, 1989

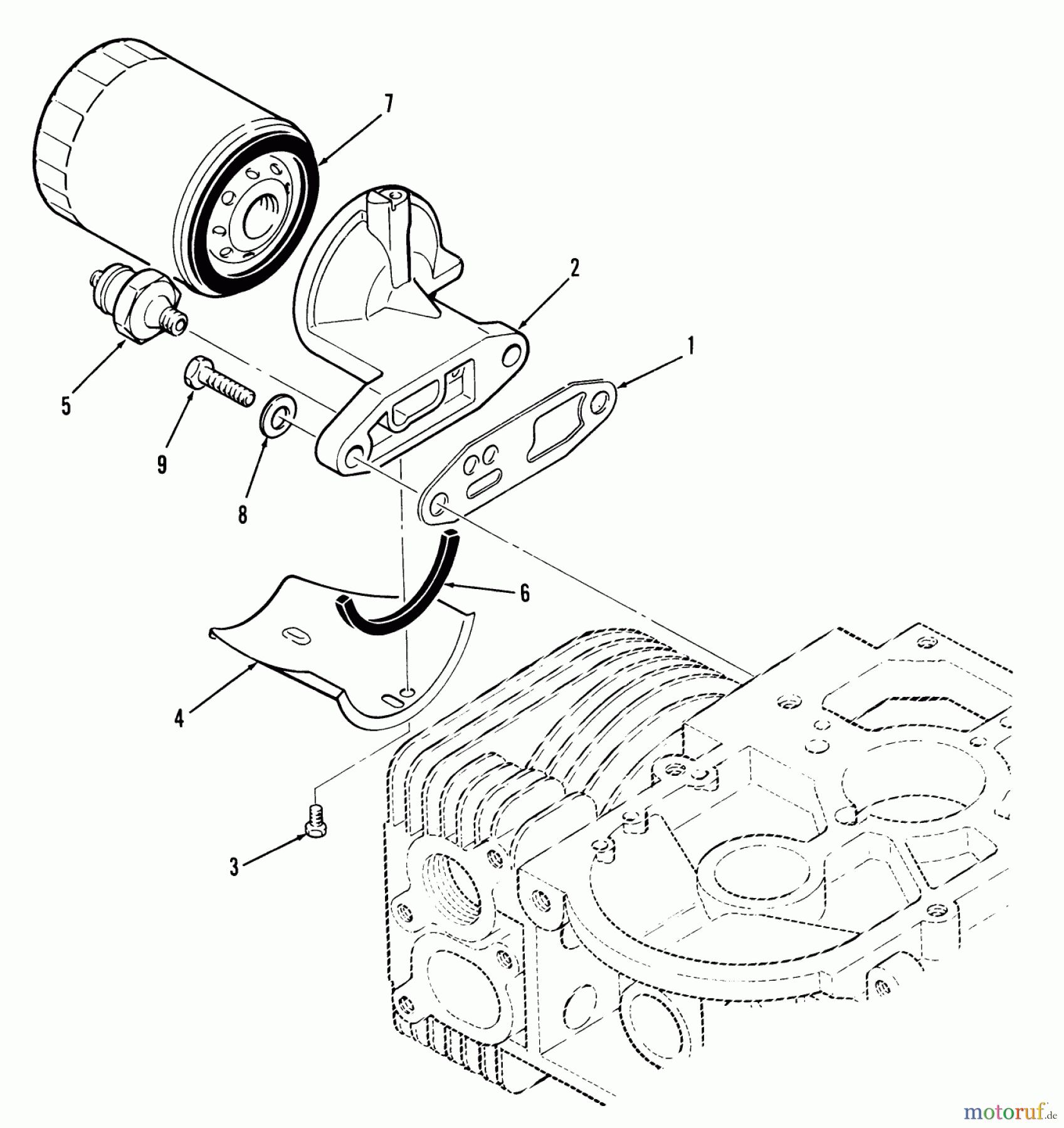
Hier finden Sie die Ersatzteilzeichnung für Toro Neu Mowers, Zero-Turn Y1-16OE01 (616-Z) - Toro 616-Z Tractor, 1989 SECTION 9-OIL FILTER. Wählen Sie das benötigte Ersatzteil aus der Ersatzteilliste Ihres Toro Gerätes aus und bestellen Sie einfach online. Viele Toro Ersatzteile halten wir ständig in unserem Lager für Sie bereit.
| BildNr | Artikel Nummer | Bezeichnung | |
| 1 | TRNN10486 | 82-0520 | |
| 2 | TRNN10141 | 82-0500 | |
| 3 | TRNN10391 | 82-1510 | |
| 4 | TRNN10487 | DISCONTINUED | |
| 5 | TRNN10520 | DISCONTINUED | |
| 6 | TRNN10488 | DISCONTINUED | |
| 7 | TRNN10147 | ||
| 8 | TRNN10360 | 57-9750 | |
| 9 | TRNN10373 | DISCONTINUED | |



