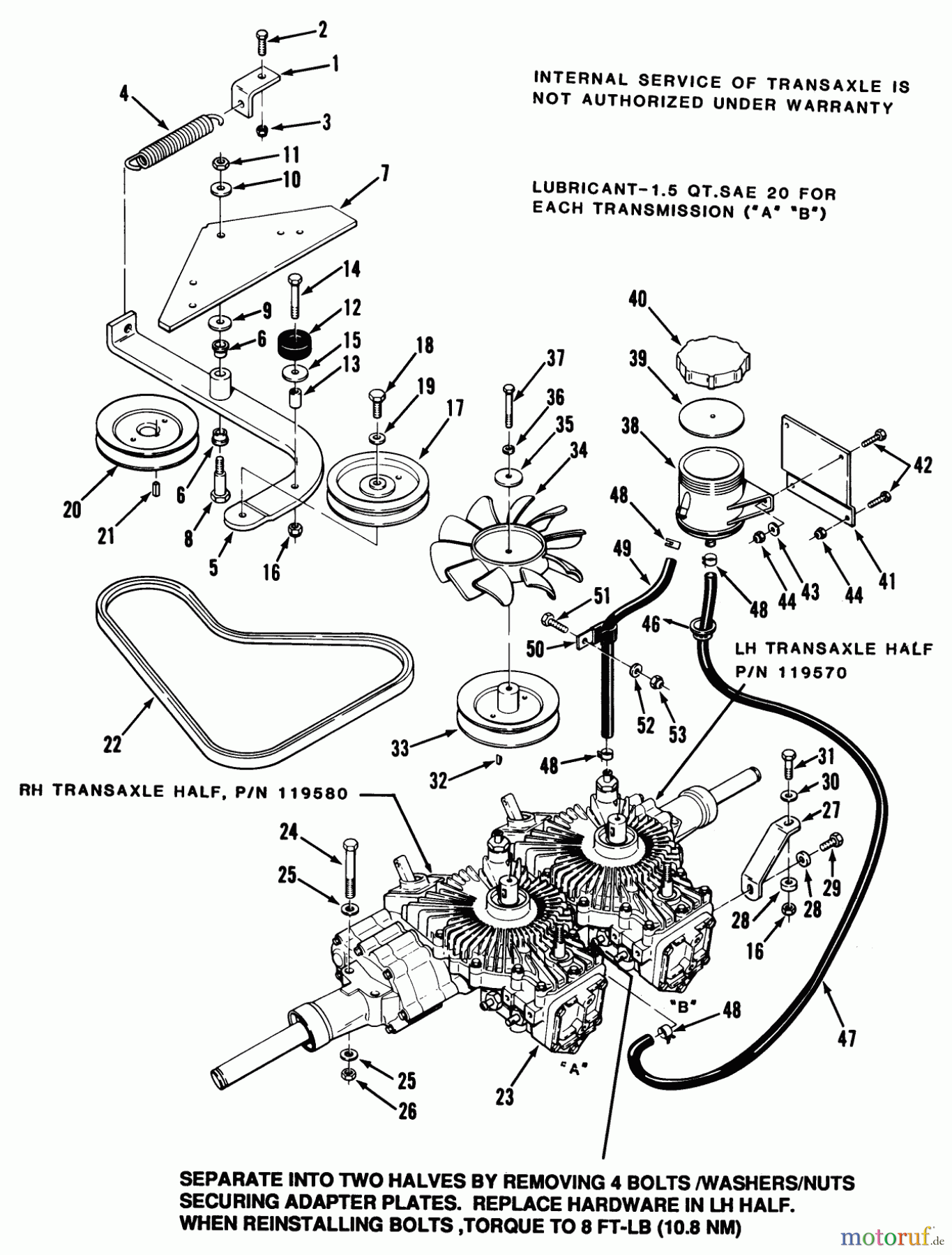
Toro Y1-12OE01 (612-Z) - 612-Z Tractor, 1990 TRANSMISSION AND DRIVE SYSTEM Ersatzteile
TRANSMISSION AND DRIVE SYSTEM Y1-12OE01 (612-Z) - Toro 612-Z Tractor, 1990

Hier finden Sie die Ersatzteilzeichnung für Toro Neu Mowers, Zero-Turn Y1-12OE01 (612-Z) - Toro 612-Z Tractor, 1990 TRANSMISSION AND DRIVE SYSTEM. Wählen Sie das benötigte Ersatzteil aus der Ersatzteilliste Ihres Toro Gerätes aus und bestellen Sie einfach online. Viele Toro Ersatzteile halten wir ständig in unserem Lager für Sie bereit.



