Toro Y1-12OE01 (612-Z) - 612-Z Tractor, 1990 ENGINE CYLINDER BLOCK-612-Z Ersatzteile
ENGINE CYLINDER BLOCK-612-Z Y1-12OE01 (612-Z) - Toro 612-Z Tractor, 1990

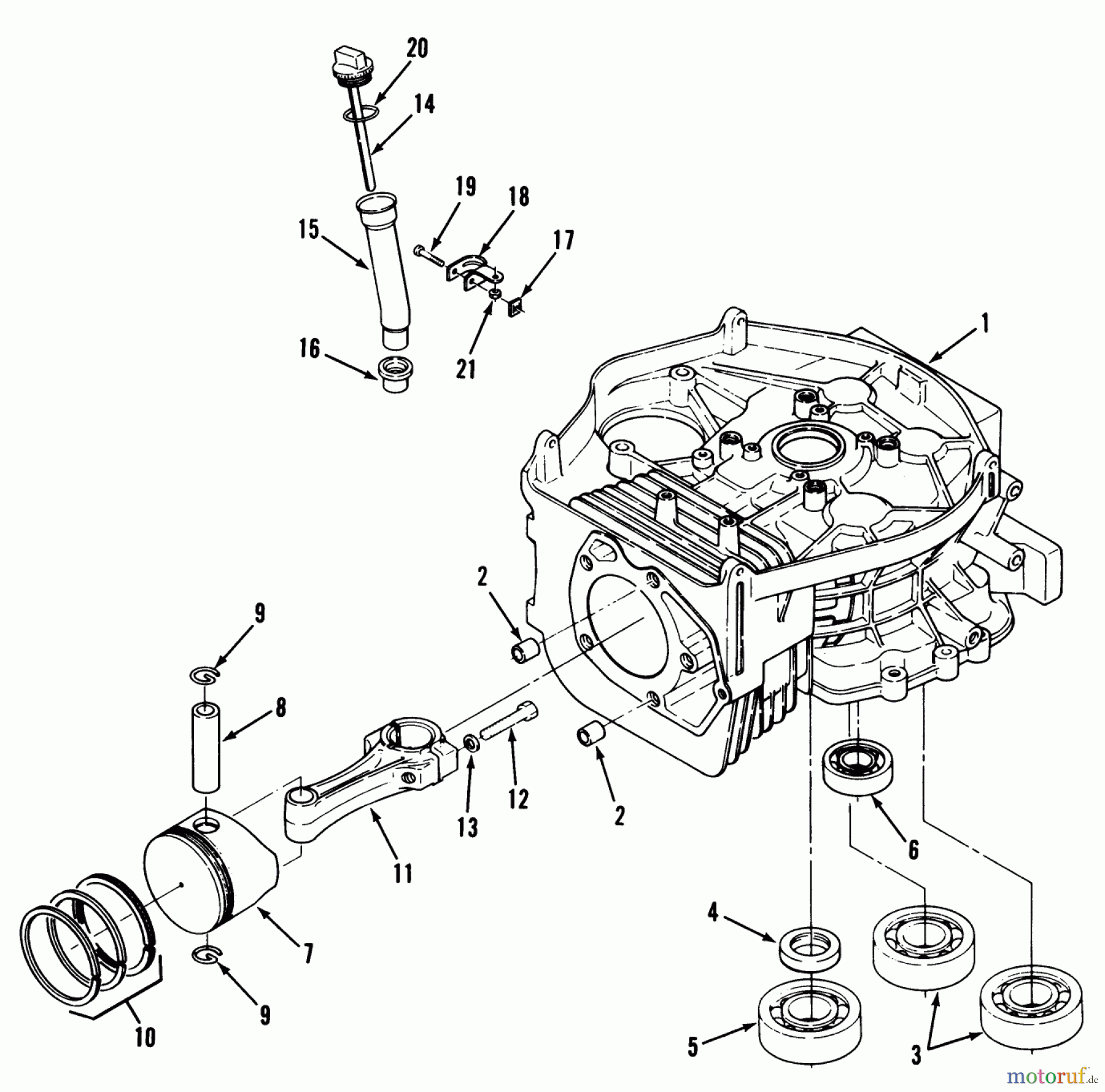
Hier finden Sie die Ersatzteilzeichnung für Toro Neu Mowers, Zero-Turn Y1-12OE01 (612-Z) - Toro 612-Z Tractor, 1990 ENGINE CYLINDER BLOCK-612-Z. Wählen Sie das benötigte Ersatzteil aus der Ersatzteilliste Ihres Toro Gerätes aus und bestellen Sie einfach online. Viele Toro Ersatzteile halten wir ständig in unserem Lager für Sie bereit.


Qualitätsmanagement
Informieren Sie uns, wenn Sie einen Fehler gefunden haben.

