Toro Y1-12OE01 (612-Z) - 612-Z Tractor, 1990 CARBURETOR COMPONENTS-616-Z Ersatzteile
CARBURETOR COMPONENTS-616-Z Y1-12OE01 (612-Z) - Toro 612-Z Tractor, 1990

Hier finden Sie die Ersatzteilzeichnung für Toro Neu Mowers, Zero-Turn Y1-12OE01 (612-Z) - Toro 612-Z Tractor, 1990 CARBURETOR COMPONENTS-616-Z. Wählen Sie das benötigte Ersatzteil aus der Ersatzteilliste Ihres Toro Gerätes aus und bestellen Sie einfach online. Viele Toro Ersatzteile halten wir ständig in unserem Lager für Sie bereit.
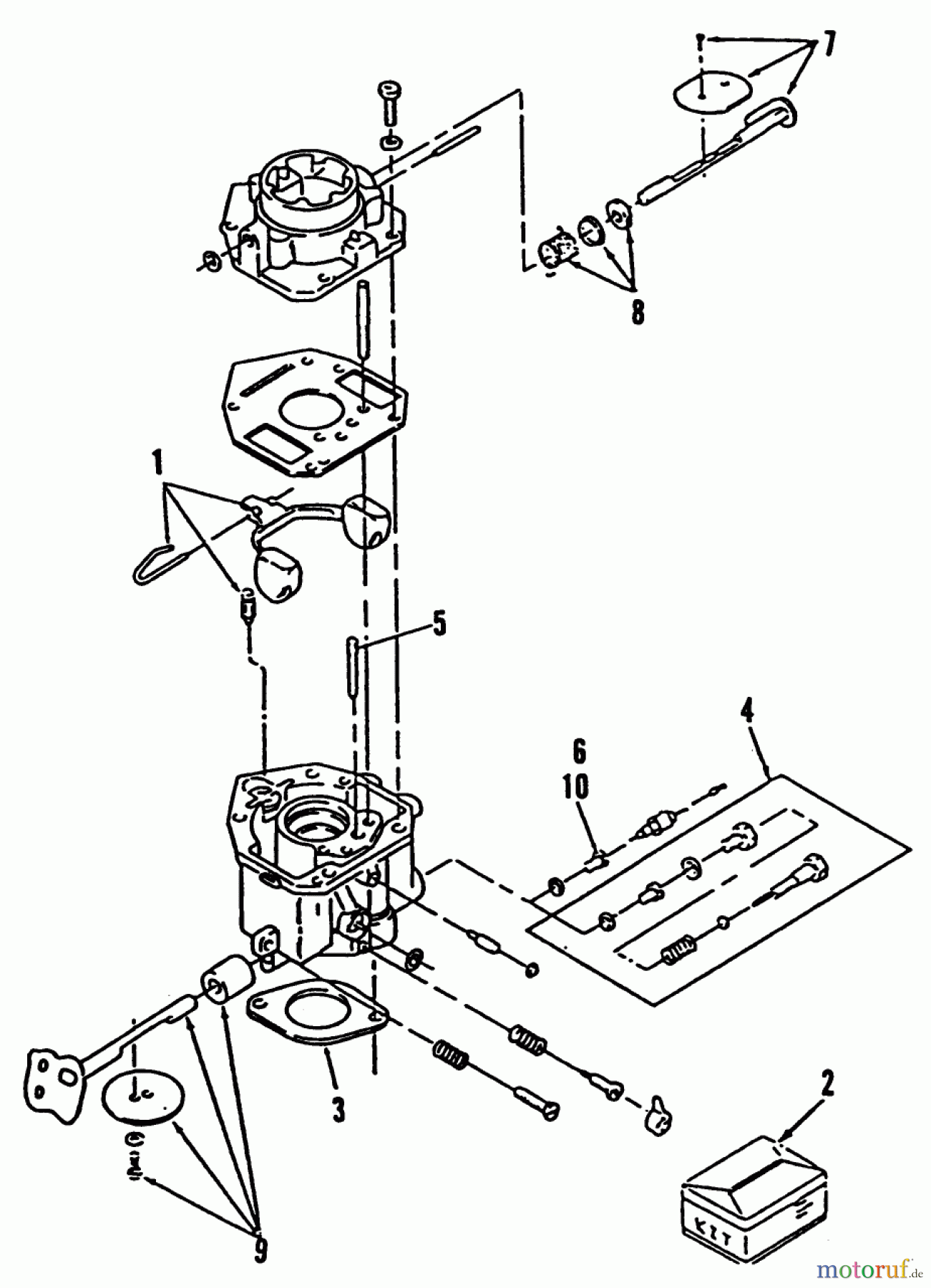
| BildNr | Artikel Nummer | Bezeichnung | |
| 1 | TRNN10209 | 62-2800 | |
| 2 | TRNN10807 | 82-0780 | |
| 3 | TR57-9200 | 82-0850 | |
| 4 | TRNN10810 | DISCONTINUED | |
| 5 | TRNN10201 | 62-2820 | |
| 6 | TRNN10199 | DISCONTINUED | |
| 7 | TRNN10207 | 72-3860 | |
| 8 | TRNN10809 | CHOKE-LEVER KIT | |
| 9 | TRNN10811 | DISCONTINUED | |
| 10 | TRNN10810 | DISCONTINUED | |


Qualitätsmanagement
Informieren Sie uns, wenn Sie einen Fehler gefunden haben.

