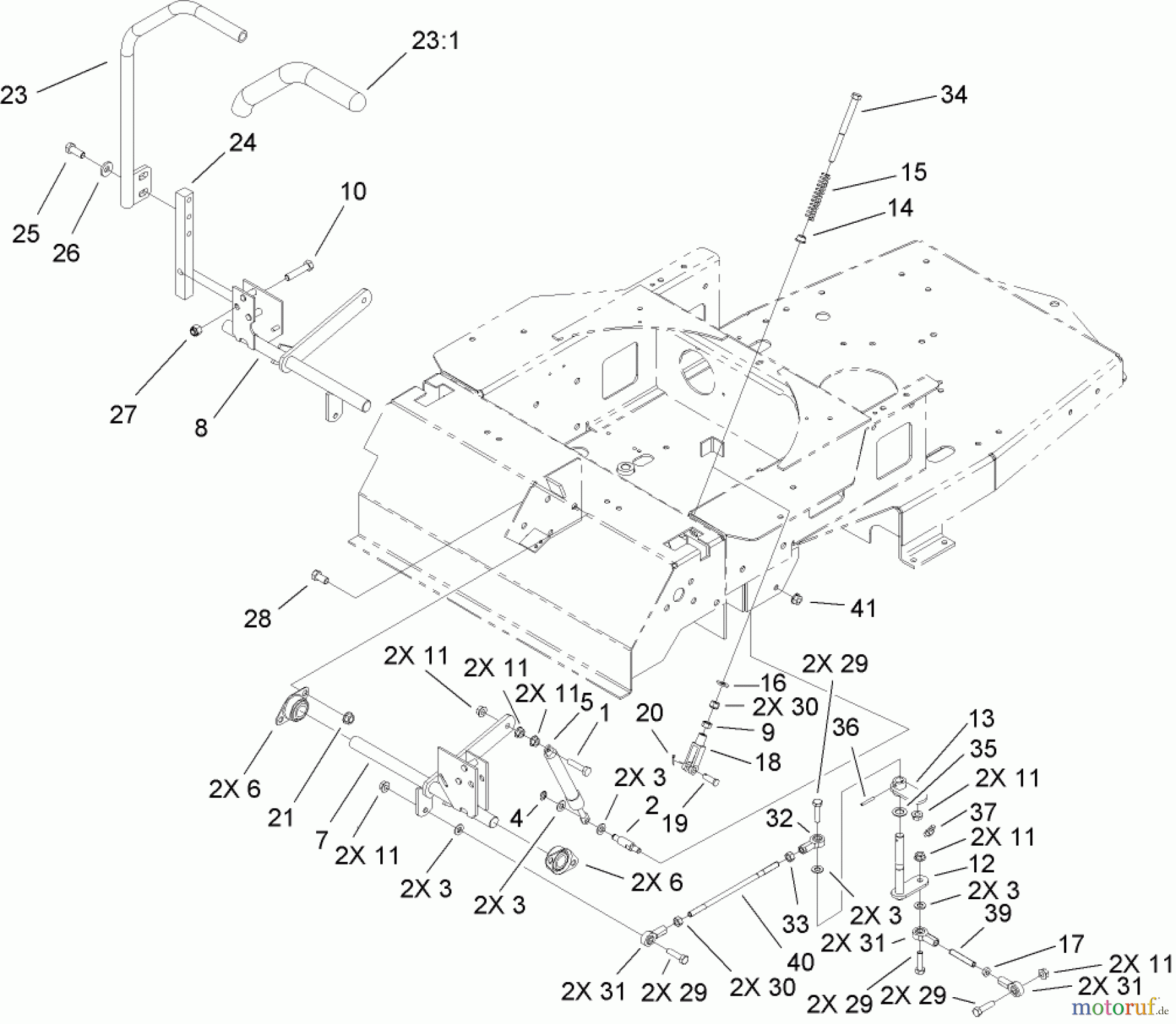
Toro 74704 (ZX480) - TimeCutter ZX480 Riding Mower, 2006 (260000001-260999999) MOTION CONTROL ASSEMBLY Ersatzteile
MOTION CONTROL ASSEMBLY 74704 (ZX480) - Toro TimeCutter ZX480 Riding Mower, 2006 (260000001-260999999)

Hier finden Sie die Ersatzteilzeichnung für Toro Neu Mowers, Zero-Turn 74704 (ZX480) - Toro TimeCutter ZX480 Riding Mower, 2006 (260000001-260999999) MOTION CONTROL ASSEMBLY. Wählen Sie das benötigte Ersatzteil aus der Ersatzteilliste Ihres Toro Gerätes aus und bestellen Sie einfach online. Viele Toro Ersatzteile halten wir ständig in unserem Lager für Sie bereit.


Qualitätsmanagement
Informieren Sie uns, wenn Sie einen Fehler gefunden haben.


