Toro 74701 (Z17-52) - Z17-52 TimeCutter Z Riding Mower, 2002 (220000001-220999999) LH HYDRO TRANSAXLE ASSEMBLY NO. 100-7361 Ersatzteile
LH HYDRO TRANSAXLE ASSEMBLY NO. 100-7361 74701 (Z17-52) - Toro Z17-52 TimeCutter Z Riding Mower, 2002 (220000001-220999999)

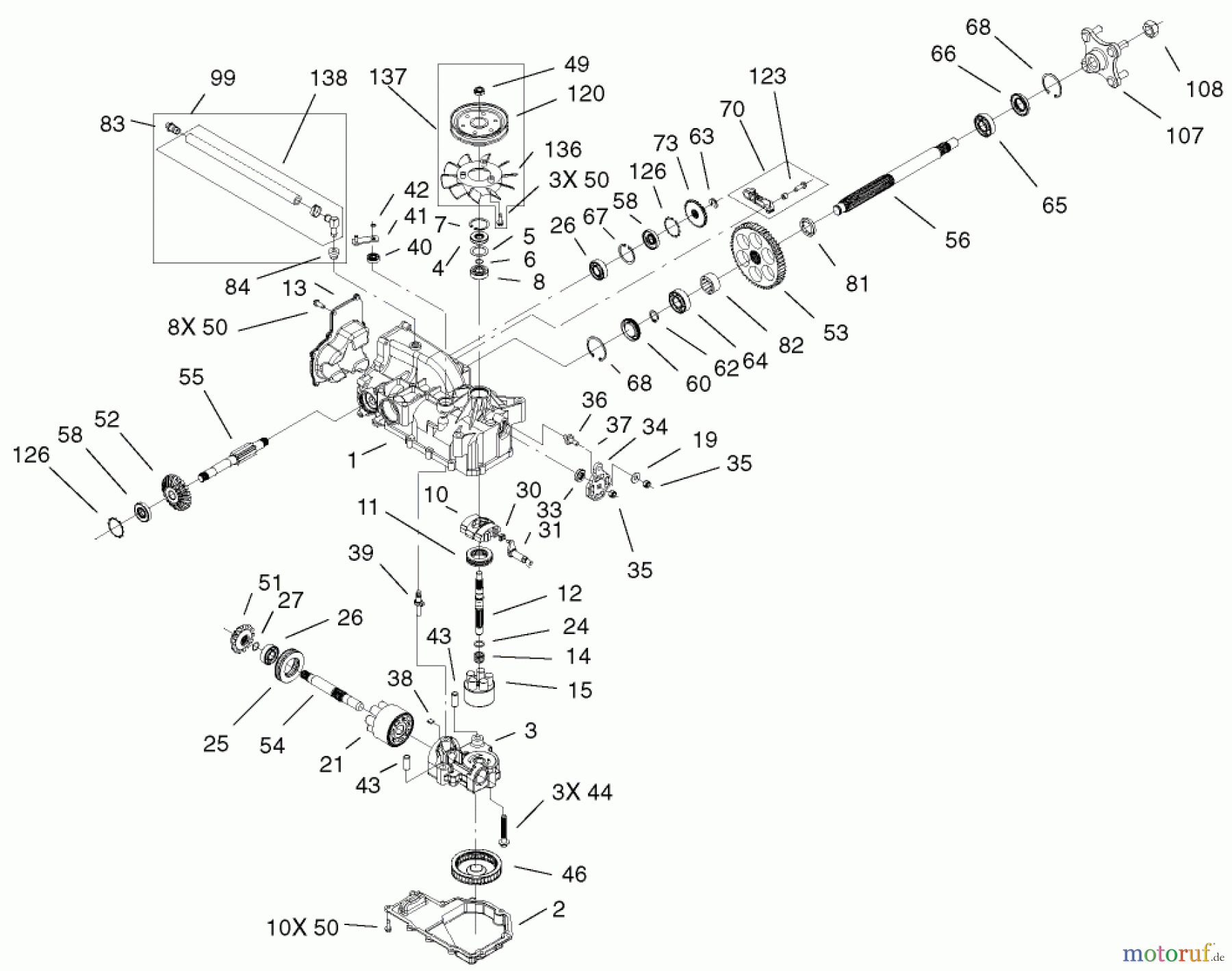
Hier finden Sie die Ersatzteilzeichnung für Toro Neu Mowers, Zero-Turn 74701 (Z17-52) - Toro Z17-52 TimeCutter Z Riding Mower, 2002 (220000001-220999999) LH HYDRO TRANSAXLE ASSEMBLY NO. 100-7361. Wählen Sie das benötigte Ersatzteil aus der Ersatzteilliste Ihres Toro Gerätes aus und bestellen Sie einfach online. Viele Toro Ersatzteile halten wir ständig in unserem Lager für Sie bereit.


Qualitätsmanagement
Informieren Sie uns, wenn Sie einen Fehler gefunden haben.

