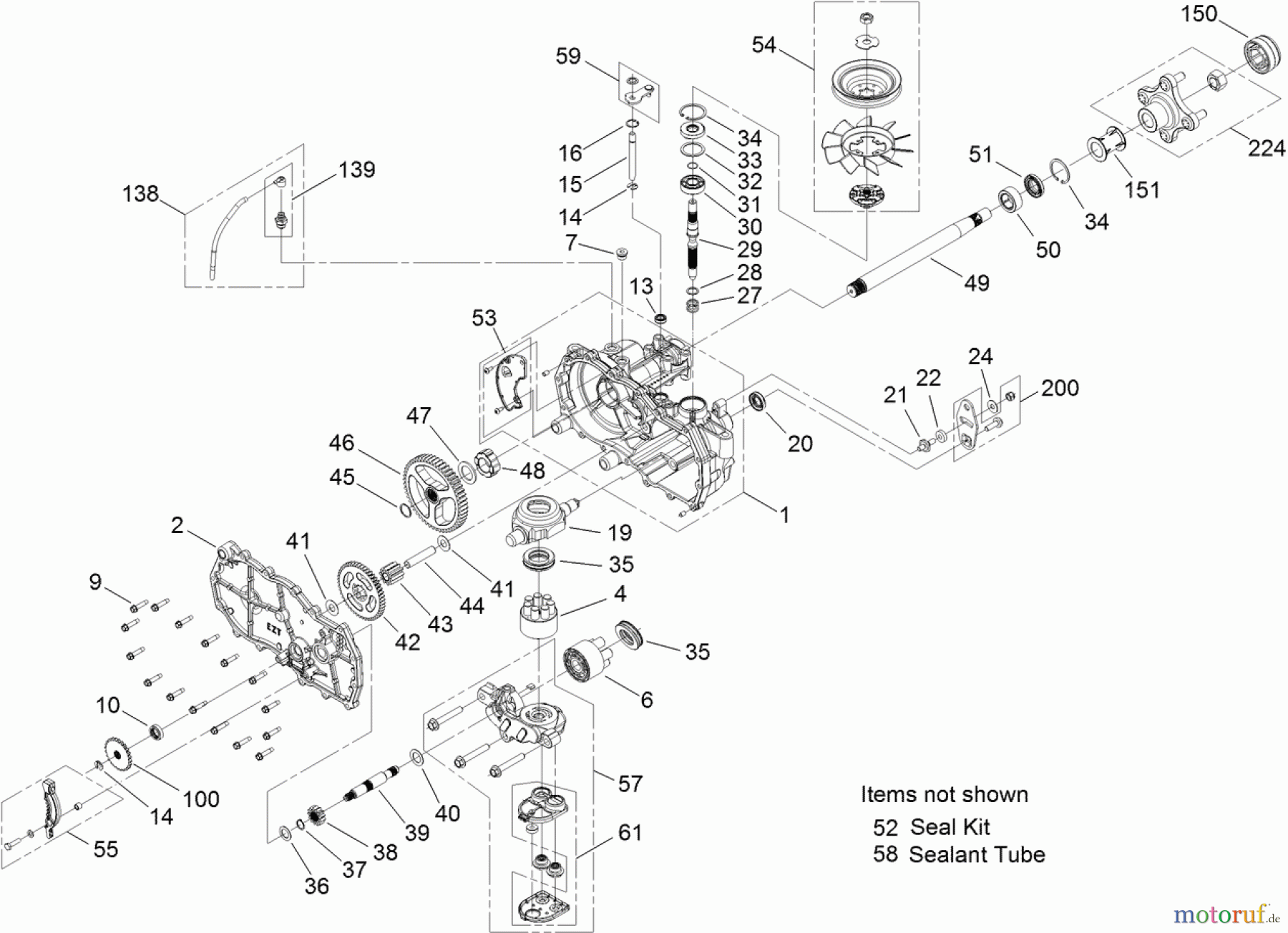
Toro 74632 (5060) - TimeCutter SS 5060 Riding Mower, 2012 (SN 312000001-312999999) RH HYDRO TRANSAXLE ASSEMBLY NO. 119-3351 Ersatzteile
RH HYDRO TRANSAXLE ASSEMBLY NO. 119-3351 74632 (5060) - Toro TimeCutter SS 5060 Riding Mower, 2012 (SN 312000001-312999999)

Hier finden Sie die Ersatzteilzeichnung für Toro Neu Mowers, Zero-Turn 74632 (5060) - Toro TimeCutter SS 5060 Riding Mower, 2012 (SN 312000001-312999999) RH HYDRO TRANSAXLE ASSEMBLY NO. 119-3351. Wählen Sie das benötigte Ersatzteil aus der Ersatzteilliste Ihres Toro Gerätes aus und bestellen Sie einfach online. Viele Toro Ersatzteile halten wir ständig in unserem Lager für Sie bereit.



