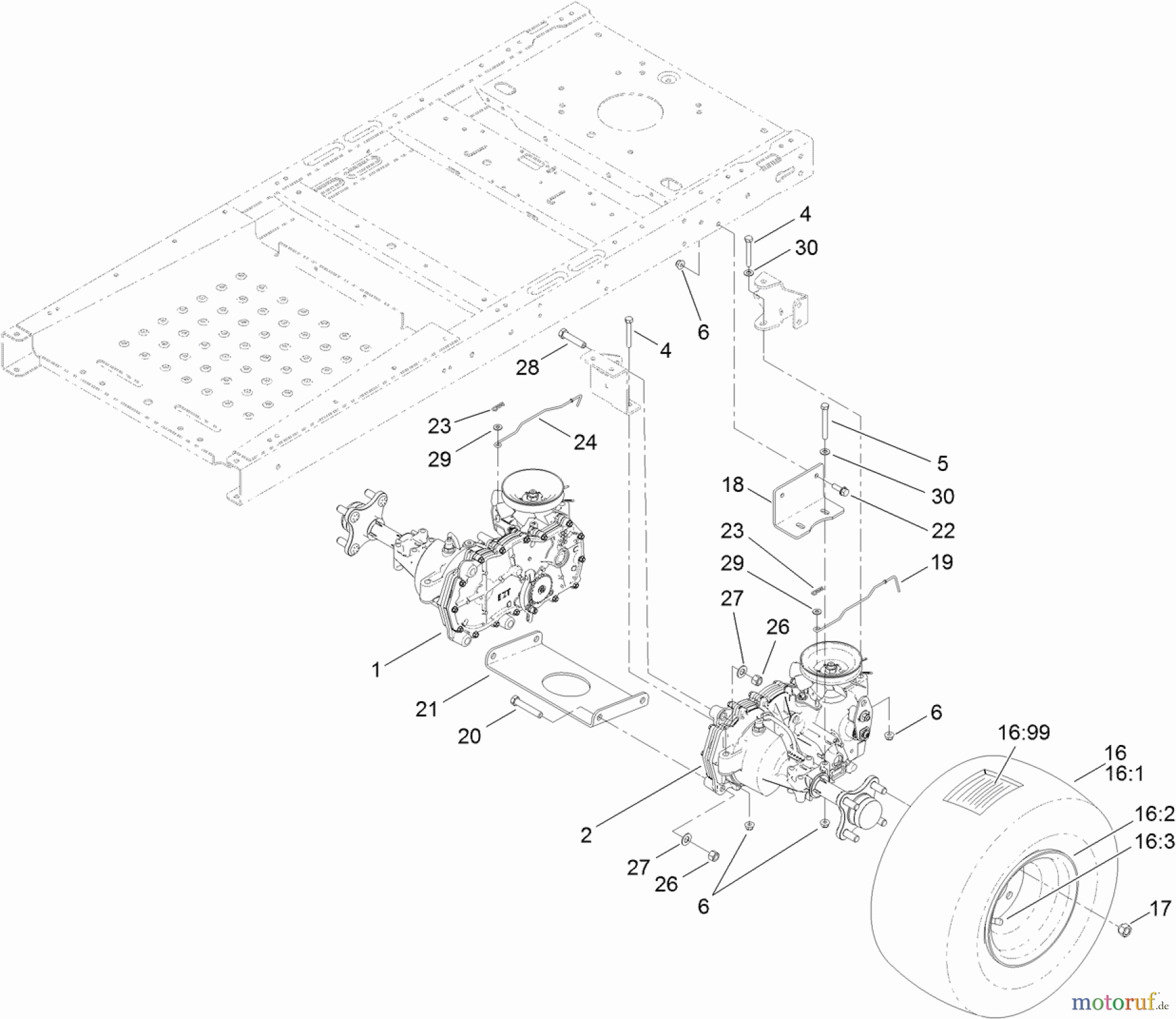
Toro 74628 (4235) - TimeCutter SS 4235 Riding Mower, 2012 (SN 312000001-312999999) HYDRO TRANSAXLE DRIVE AND REAR WHEEL ASSEMBLY Ersatzteile
HYDRO TRANSAXLE DRIVE AND REAR WHEEL ASSEMBLY 74628 (4235) - Toro TimeCutter SS 4235 Riding Mower, 2012 (SN 312000001-312999999)

Hier finden Sie die Ersatzteilzeichnung für Toro Neu Mowers, Zero-Turn 74628 (4235) - Toro TimeCutter SS 4235 Riding Mower, 2012 (SN 312000001-312999999) HYDRO TRANSAXLE DRIVE AND REAR WHEEL ASSEMBLY. Wählen Sie das benötigte Ersatzteil aus der Ersatzteilliste Ihres Toro Gerätes aus und bestellen Sie einfach online. Viele Toro Ersatzteile halten wir ständig in unserem Lager für Sie bereit.


Qualitätsmanagement
Informieren Sie uns, wenn Sie einen Fehler gefunden haben.

