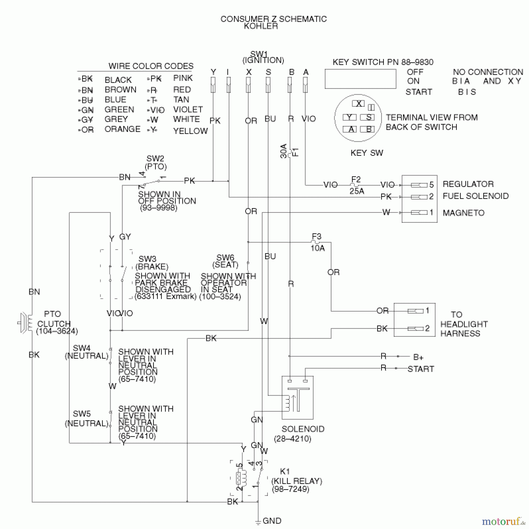
Toro 74601 (Z17-44) - Z17-44 TimeCutter Z Riding Mower, 2001 (210000001-210999999) WIRING SCHEMATIC Ersatzteile
WIRING SCHEMATIC 74601 (Z17-44) - Toro Z17-44 TimeCutter Z Riding Mower, 2001 (210000001-210999999)

Hier finden Sie die Ersatzteilzeichnung für Toro Neu Mowers, Zero-Turn 74601 (Z17-44) - Toro Z17-44 TimeCutter Z Riding Mower, 2001 (210000001-210999999) WIRING SCHEMATIC. Wählen Sie das benötigte Ersatzteil aus der Ersatzteilliste Ihres Toro Gerätes aus und bestellen Sie einfach online. Viele Toro Ersatzteile halten wir ständig in unserem Lager für Sie bereit.
| BildNr | Artikel Nummer | Bezeichnung | |
| TR218-578 | FUSE-BLADE, 10 AMP | ||
| TC109102 | |||
| TRNN10277 | FUSE-30 AMP | ||


Qualitätsmanagement
Informieren Sie uns, wenn Sie einen Fehler gefunden haben.

