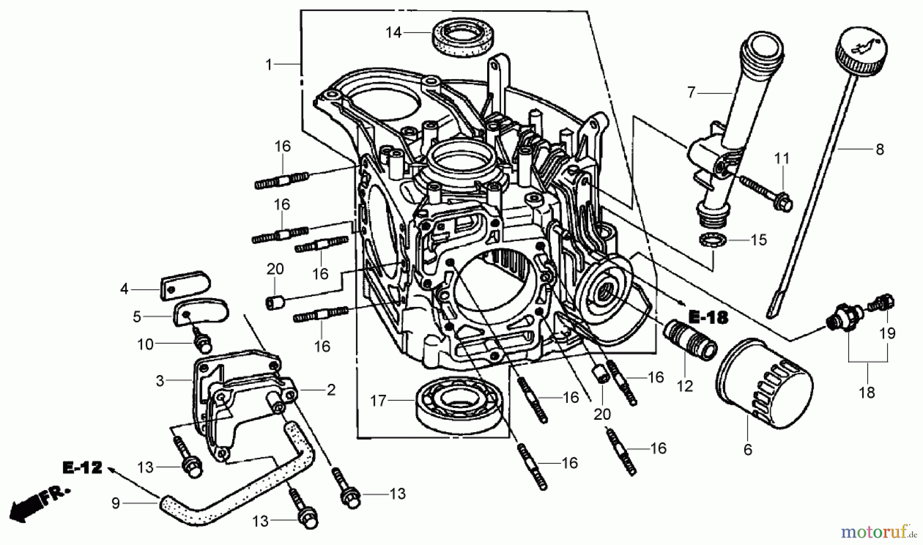
Toro 74434 (ZD530) - TimeCutter ZD530 Riding Mower, 2007 (270000001-270999999) CRANKCASE ASSEMBLY HONDA GXV530 EXA2 Ersatzteile
CRANKCASE ASSEMBLY HONDA GXV530 EXA2 74434 (ZD530) - Toro TimeCutter ZD530 Riding Mower, 2007 (270000001-270999999)

Hier finden Sie die Ersatzteilzeichnung für Toro Neu Mowers, Zero-Turn 74434 (ZD530) - Toro TimeCutter ZD530 Riding Mower, 2007 (270000001-270999999) CRANKCASE ASSEMBLY HONDA GXV530 EXA2. Wählen Sie das benötigte Ersatzteil aus der Ersatzteilliste Ihres Toro Gerätes aus und bestellen Sie einfach online. Viele Toro Ersatzteile halten wir ständig in unserem Lager für Sie bereit.


Qualitätsmanagement
Informieren Sie uns, wenn Sie einen Fehler gefunden haben.

