Toro 74425 (Z530) - TimeCutter Z530 Riding Mower, 2007 (270000001-270999999) PISTON AND CONNECTING ROD ASSEMBLY HONDA GXV530 EXA2LB Ersatzteile
PISTON AND CONNECTING ROD ASSEMBLY HONDA GXV530 EXA2LB 74425 (Z530) - Toro TimeCutter Z530 Riding Mower, 2007 (270000001-270999999)

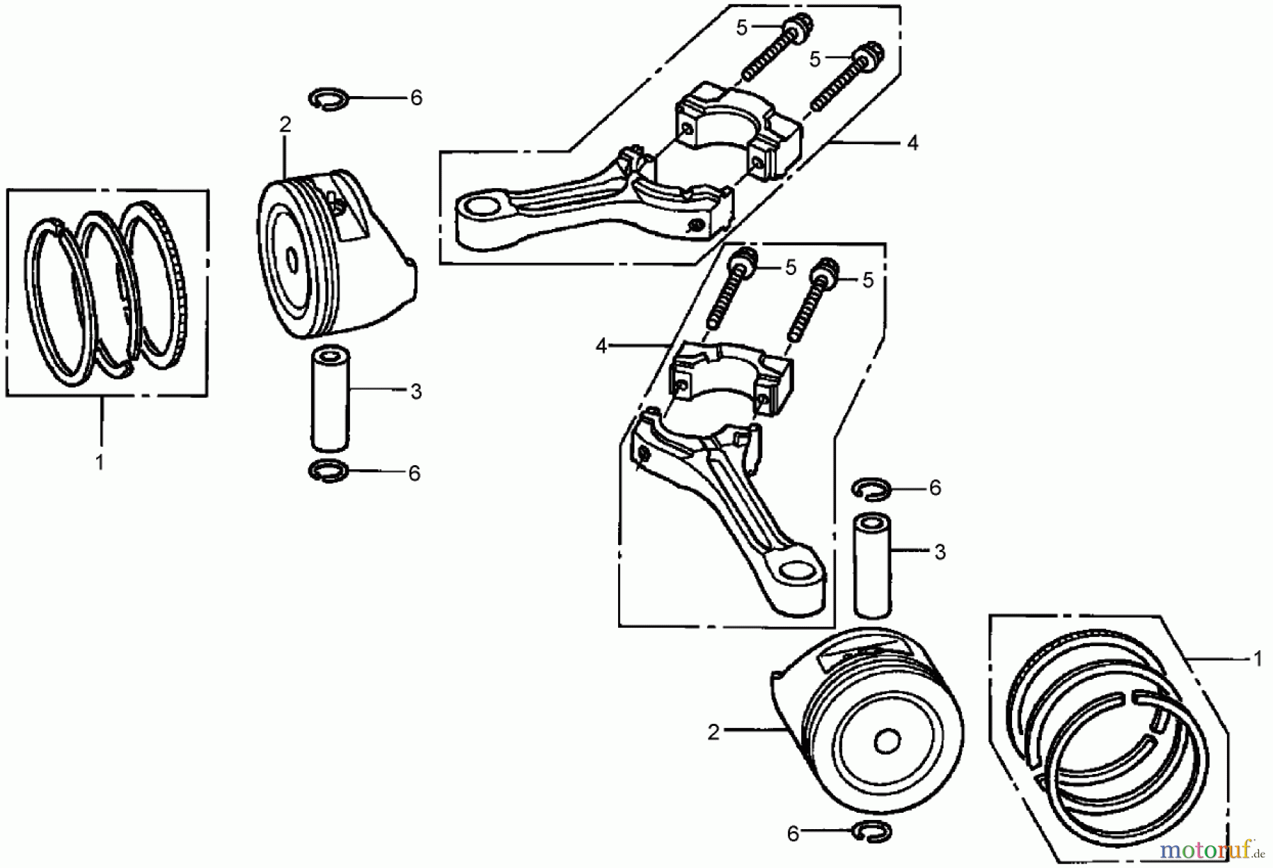
Hier finden Sie die Ersatzteilzeichnung für Toro Neu Mowers, Zero-Turn 74425 (Z530) - Toro TimeCutter Z530 Riding Mower, 2007 (270000001-270999999) PISTON AND CONNECTING ROD ASSEMBLY HONDA GXV530 EXA2LB. Wählen Sie das benötigte Ersatzteil aus der Ersatzteilliste Ihres Toro Gerätes aus und bestellen Sie einfach online. Viele Toro Ersatzteile halten wir ständig in unserem Lager für Sie bereit.
| BildNr | Artikel Nummer | Bezeichnung | |
| 1 | Honda 13010-Z0A-003 | ||
| 1 | Honda 13010-Z0A-014 | ||
| 2 | Honda 13101-Z0A-800 | ||
| 3 | Honda 13111-ZJ1-840 | ||
| 4 | Honda 13200-Z0A-801 | ||
| 5 | Honda 90001-ZN1-000 | ||
| 6 | Honda 90551-ZE1-000 | ||



