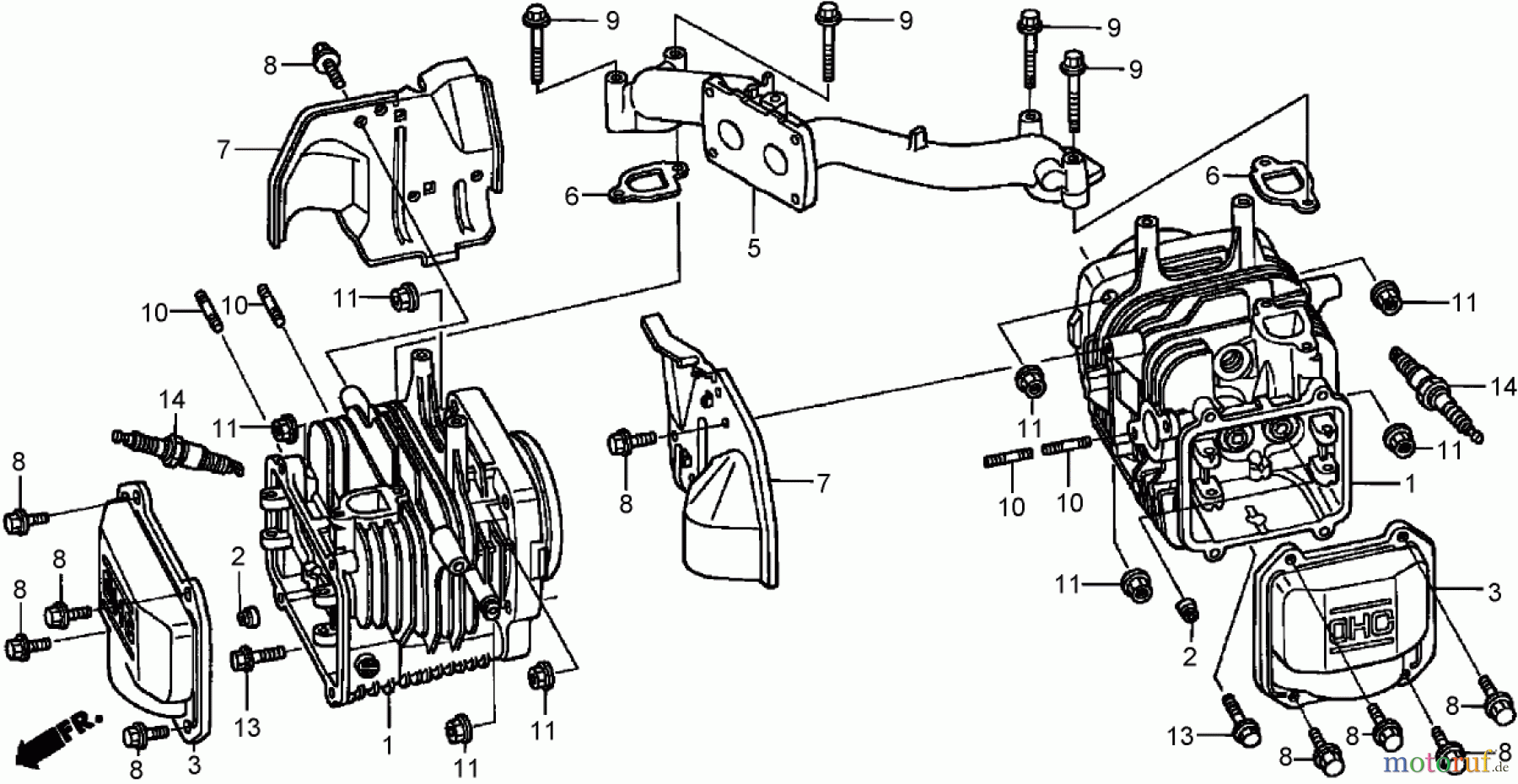
Toro 74425 (Z530) - TimeCutter Z530 Riding Mower, 2006 (260000001-260999999) CYLINDER ASSEMBLY HONDA GXV530 EXA2LB Ersatzteile
CYLINDER ASSEMBLY HONDA GXV530 EXA2LB 74425 (Z530) - Toro TimeCutter Z530 Riding Mower, 2006 (260000001-260999999)

Hier finden Sie die Ersatzteilzeichnung für Toro Neu Mowers, Zero-Turn 74425 (Z530) - Toro TimeCutter Z530 Riding Mower, 2006 (260000001-260999999) CYLINDER ASSEMBLY HONDA GXV530 EXA2LB. Wählen Sie das benötigte Ersatzteil aus der Ersatzteilliste Ihres Toro Gerätes aus und bestellen Sie einfach online. Viele Toro Ersatzteile halten wir ständig in unserem Lager für Sie bereit.


Qualitätsmanagement
Informieren Sie uns, wenn Sie einen Fehler gefunden haben.

