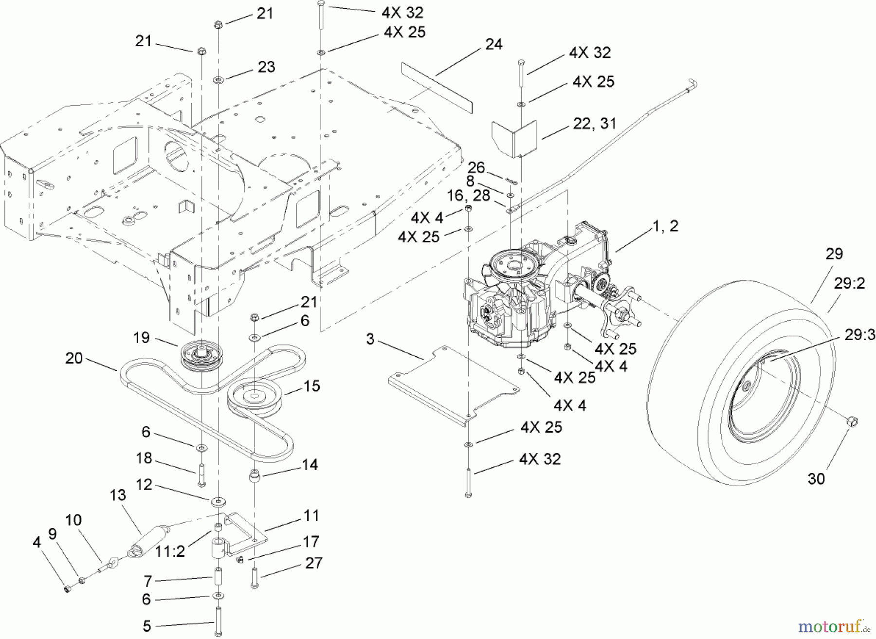
Toro 74406 (ZX440) - TimeCutter ZX440 Riding Mower, 2008 (280000001-280999999) HYDRO AND BELT DRIVE ASSEMBLY Ersatzteile
HYDRO AND BELT DRIVE ASSEMBLY 74406 (ZX440) - Toro TimeCutter ZX440 Riding Mower, 2008 (280000001-280999999)

Hier finden Sie die Ersatzteilzeichnung für Toro Neu Mowers, Zero-Turn 74406 (ZX440) - Toro TimeCutter ZX440 Riding Mower, 2008 (280000001-280999999) HYDRO AND BELT DRIVE ASSEMBLY. Wählen Sie das benötigte Ersatzteil aus der Ersatzteilliste Ihres Toro Gerätes aus und bestellen Sie einfach online. Viele Toro Ersatzteile halten wir ständig in unserem Lager für Sie bereit.





