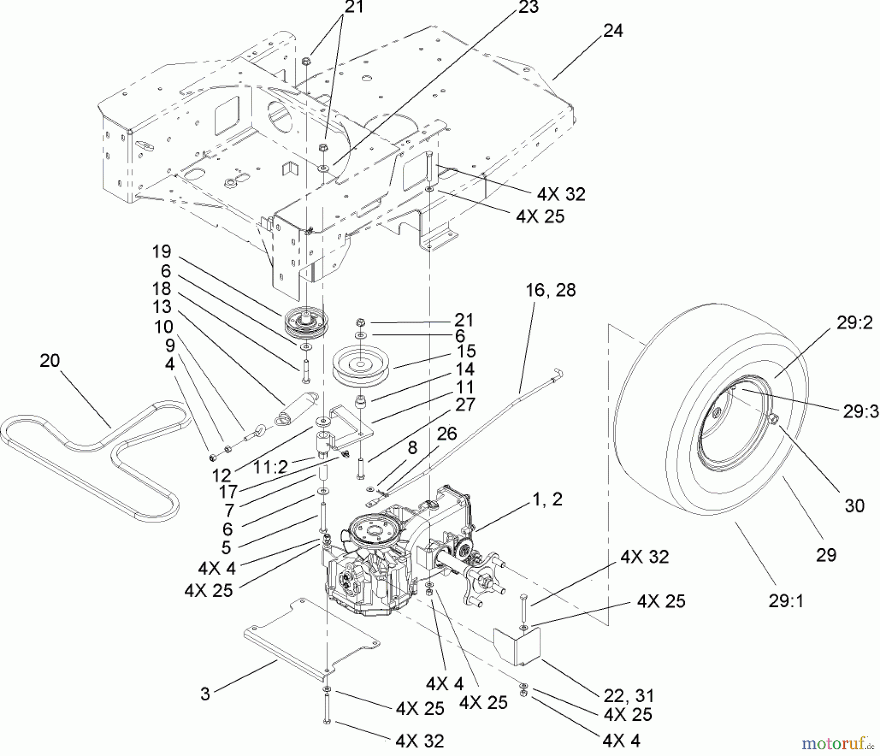
Toro 74405 (18-52ZX) - 18-52ZX TimeCutter ZX Riding Mower, 2004 (240000001-240999999) HYDRO AND BELT DRIVE ASSEMBLY Ersatzteile
HYDRO AND BELT DRIVE ASSEMBLY 74405 (18-52ZX) - Toro 18-52ZX TimeCutter ZX Riding Mower, 2004 (240000001-240999999)

Hier finden Sie die Ersatzteilzeichnung für Toro Neu Mowers, Zero-Turn 74405 (18-52ZX) - Toro 18-52ZX TimeCutter ZX Riding Mower, 2004 (240000001-240999999) HYDRO AND BELT DRIVE ASSEMBLY. Wählen Sie das benötigte Ersatzteil aus der Ersatzteilliste Ihres Toro Gerätes aus und bestellen Sie einfach online. Viele Toro Ersatzteile halten wir ständig in unserem Lager für Sie bereit.


Qualitätsmanagement
Informieren Sie uns, wenn Sie einen Fehler gefunden haben.