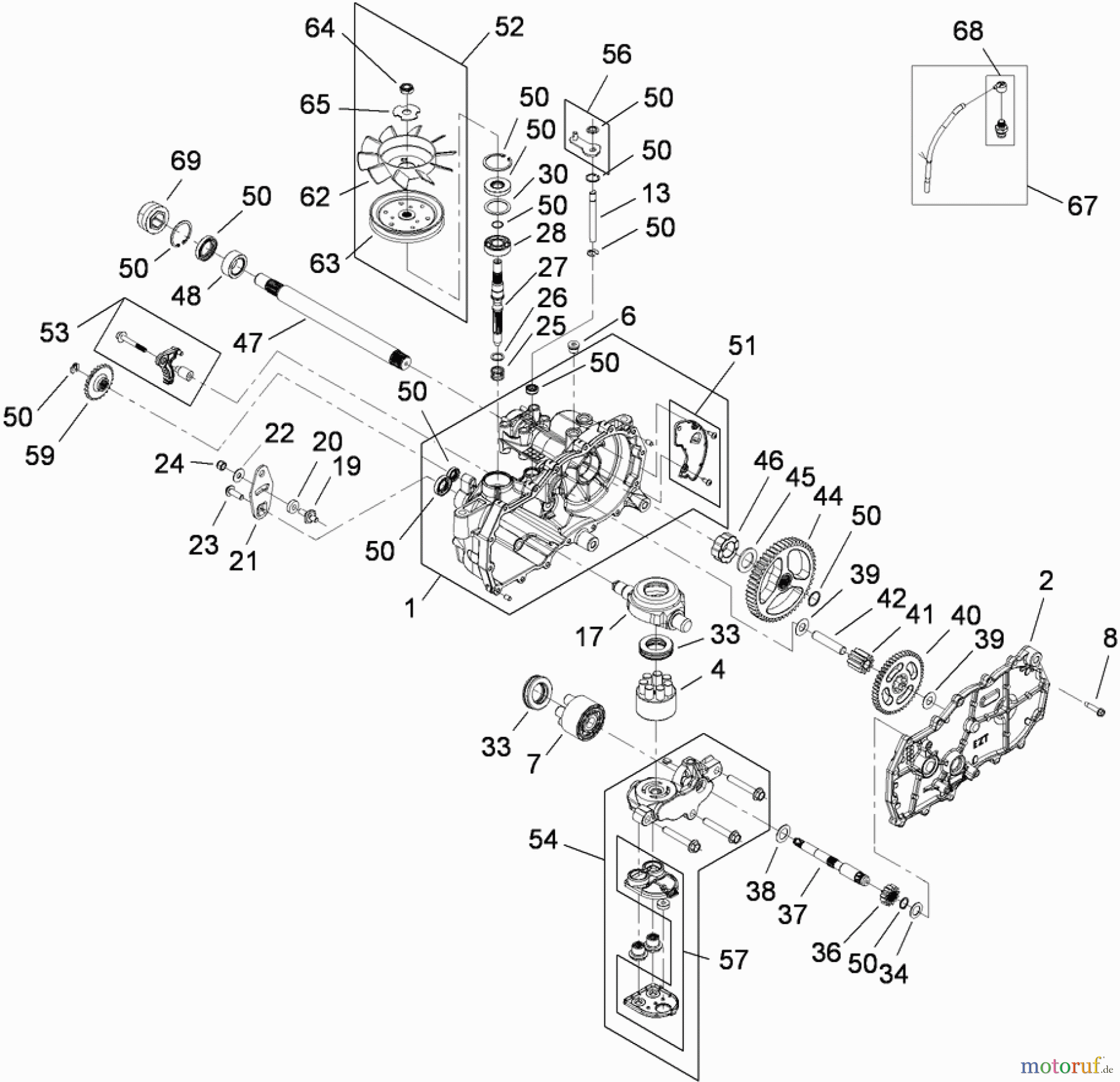
Toro 74399 (Z5020) - TimeCutter Z5020 Riding Mower, 2009 (290000440-290999999) RH HYDRO ASSEMBLY NO. 110-6771 Ersatzteile
RH HYDRO ASSEMBLY NO. 110-6771 74399 (Z5020) - Toro TimeCutter Z5020 Riding Mower, 2009 (290000440-290999999)

Hier finden Sie die Ersatzteilzeichnung für Toro Neu Mowers, Zero-Turn 74399 (Z5020) - Toro TimeCutter Z5020 Riding Mower, 2009 (290000440-290999999) RH HYDRO ASSEMBLY NO. 110-6771. Wählen Sie das benötigte Ersatzteil aus der Ersatzteilliste Ihres Toro Gerätes aus und bestellen Sie einfach online. Viele Toro Ersatzteile halten wir ständig in unserem Lager für Sie bereit.



