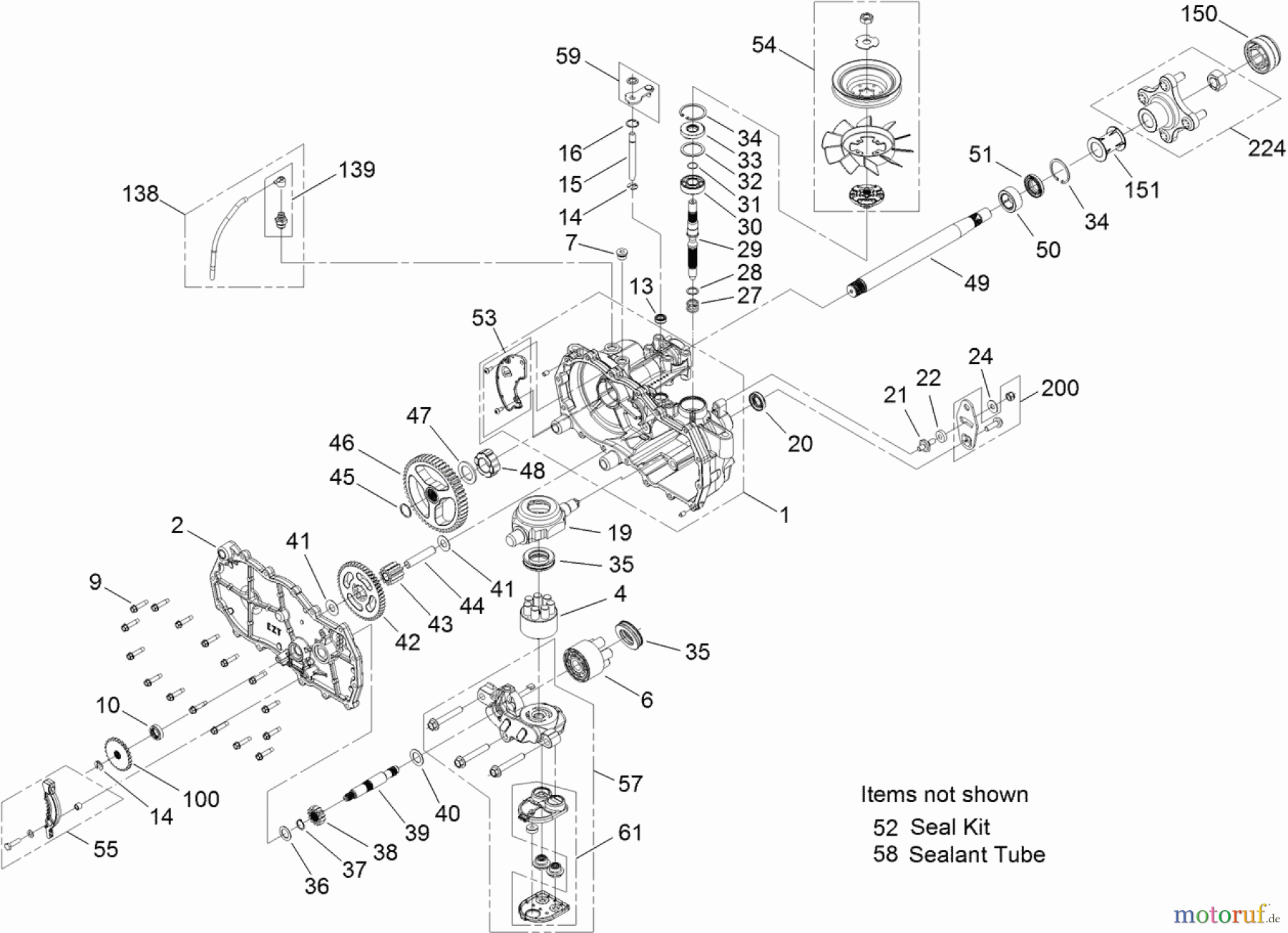
Toro 74387 (ZS 5000) - TimeCutter ZS 5000 Riding Mower, 2011 (311000001-311999999) RH HYDRO TRANSAXLE ASSEMBLY NO. 119-3351 Ersatzteile
RH HYDRO TRANSAXLE ASSEMBLY NO. 119-3351 74387 (ZS 5000) - Toro TimeCutter ZS 5000 Riding Mower, 2011 (311000001-311999999)

Hier finden Sie die Ersatzteilzeichnung für Toro Neu Mowers, Zero-Turn 74387 (ZS 5000) - Toro TimeCutter ZS 5000 Riding Mower, 2011 (311000001-311999999) RH HYDRO TRANSAXLE ASSEMBLY NO. 119-3351. Wählen Sie das benötigte Ersatzteil aus der Ersatzteilliste Ihres Toro Gerätes aus und bestellen Sie einfach online. Viele Toro Ersatzteile halten wir ständig in unserem Lager für Sie bereit.



