Toro 74386 (ZS 4200) - TimeCutter ZS 4200 Riding Mower, 2012 (SN 312000001-312999999) RIGHT HAND HYDRO TRANSAXLE ASSEMBLY NO. 119-3331 Ersatzteile
RIGHT HAND HYDRO TRANSAXLE ASSEMBLY NO. 119-3331 74386 (ZS 4200) - Toro TimeCutter ZS 4200 Riding Mower, 2012 (SN 312000001-312999999)

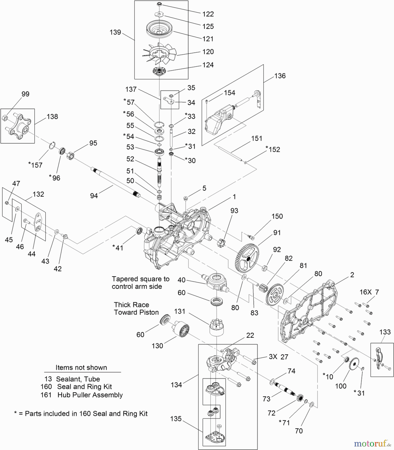
Hier finden Sie die Ersatzteilzeichnung für Toro Neu Mowers, Zero-Turn 74386 (ZS 4200) - Toro TimeCutter ZS 4200 Riding Mower, 2012 (SN 312000001-312999999) RIGHT HAND HYDRO TRANSAXLE ASSEMBLY NO. 119-3331. Wählen Sie das benötigte Ersatzteil aus der Ersatzteilliste Ihres Toro Gerätes aus und bestellen Sie einfach online. Viele Toro Ersatzteile halten wir ständig in unserem Lager für Sie bereit.


Qualitätsmanagement
Informieren Sie uns, wenn Sie einen Fehler gefunden haben.

