Toro 74140 (724-Z) - 724-Z Tractor, 1994 (49000001-49999999) CARBURETOR COMPONENTS Ersatzteile
CARBURETOR COMPONENTS 74140 (724-Z) - Toro 724-Z Tractor, 1994 (49000001-49999999)

Hier finden Sie die Ersatzteilzeichnung für Toro Neu Mowers, Zero-Turn 74140 (724-Z) - Toro 724-Z Tractor, 1994 (49000001-49999999) CARBURETOR COMPONENTS. Wählen Sie das benötigte Ersatzteil aus der Ersatzteilliste Ihres Toro Gerätes aus und bestellen Sie einfach online. Viele Toro Ersatzteile halten wir ständig in unserem Lager für Sie bereit.
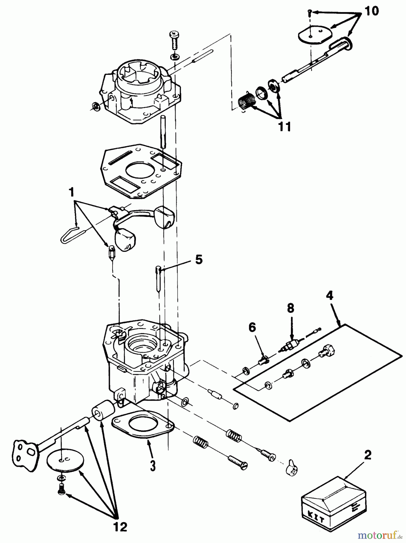
| BildNr | Artikel Nummer | Bezeichnung | |
| 1 | TR62-2800 | Schwimmer | |
| 2 | TR82-0780 | Vergaserreparatur-Satz | |
| 3 | TR82-0850 | Dichtung | |
| 4 | TR82-0740 | JET-FIXED, HIGH ALTITUDE | |
| 5 | TR82-0750 | Duese | |
| 6 | TR82-0790 | Duese | |
| 8 | TR82-0800 | Schalter | |
| 10 | TR72-3860 | CHOKE KIT SHAFT | |
| 11 | TR72-3870 | CHOKE KIT LEVER | |
| 12 | TR82-0810 | Drosselklappe | |



