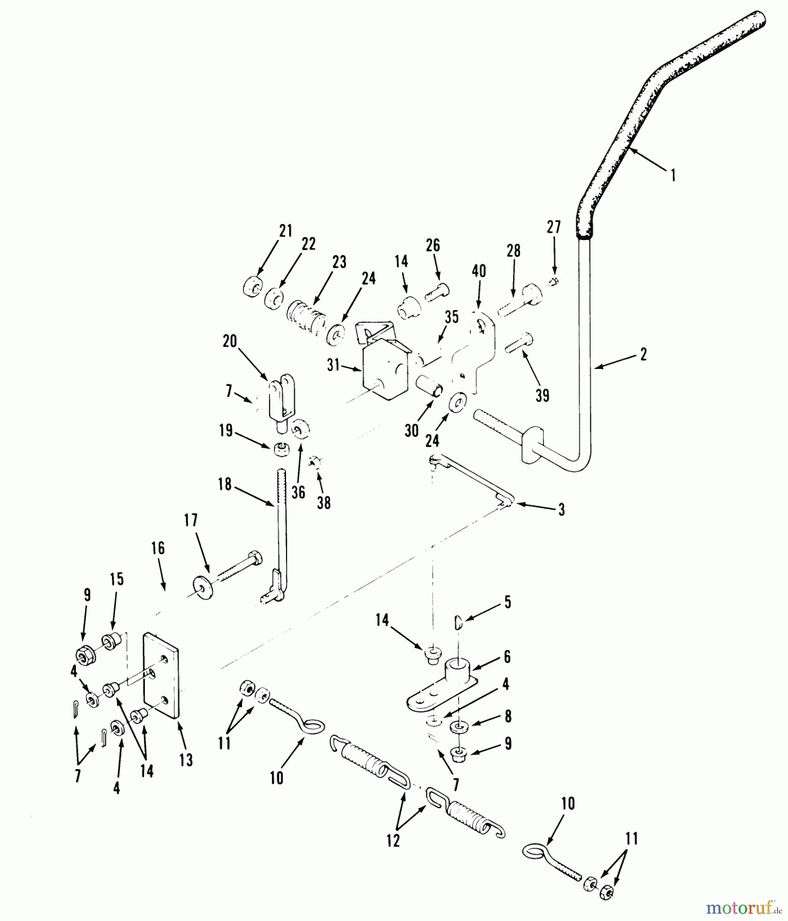
Toro 74140 (724-Z) - 724-Z Tractor, 1993 (39000001-39999999) TRANSMISSION DRIVE LINKAGE Ersatzteile
TRANSMISSION DRIVE LINKAGE 74140 (724-Z) - Toro 724-Z Tractor, 1993 (39000001-39999999)

Hier finden Sie die Ersatzteilzeichnung für Toro Neu Mowers, Zero-Turn 74140 (724-Z) - Toro 724-Z Tractor, 1993 (39000001-39999999) TRANSMISSION DRIVE LINKAGE. Wählen Sie das benötigte Ersatzteil aus der Ersatzteilliste Ihres Toro Gerätes aus und bestellen Sie einfach online. Viele Toro Ersatzteile halten wir ständig in unserem Lager für Sie bereit.


Qualitätsmanagement
Informieren Sie uns, wenn Sie einen Fehler gefunden haben.




