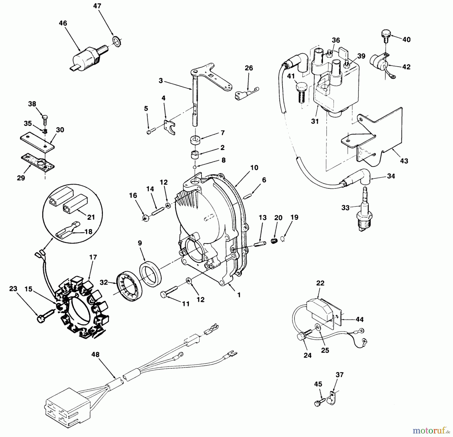
Toro 74140 (724-Z) - 724-Z Tractor, 1993 (39000001-39999999) GEARCASE AND IGNITION CONTROLS Ersatzteile
GEARCASE AND IGNITION CONTROLS 74140 (724-Z) - Toro 724-Z Tractor, 1993 (39000001-39999999)

Hier finden Sie die Ersatzteilzeichnung für Toro Neu Mowers, Zero-Turn 74140 (724-Z) - Toro 724-Z Tractor, 1993 (39000001-39999999) GEARCASE AND IGNITION CONTROLS. Wählen Sie das benötigte Ersatzteil aus der Ersatzteilliste Ihres Toro Gerätes aus und bestellen Sie einfach online. Viele Toro Ersatzteile halten wir ständig in unserem Lager für Sie bereit.


Qualitätsmanagement
Informieren Sie uns, wenn Sie einen Fehler gefunden haben.

