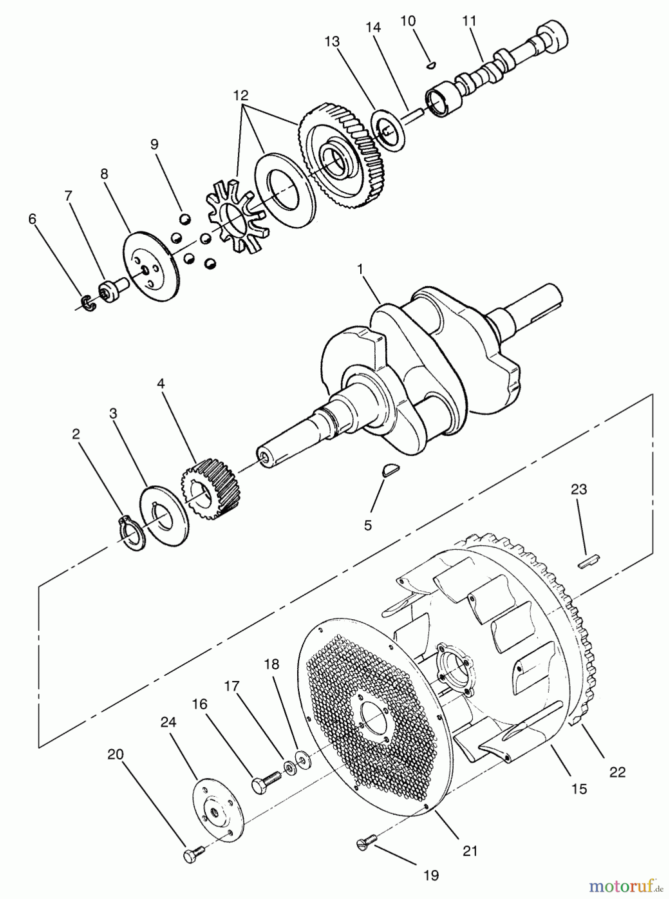
Toro 74101 (620-Z) - 620-Z Tractor, 1995 (590001-599999) CRANKSHAFT, CAMSHAFT & FLYWHEEL ASSEMBLY Ersatzteile
CRANKSHAFT, CAMSHAFT & FLYWHEEL ASSEMBLY 74101 (620-Z) - Toro 620-Z Tractor, 1995 (590001-599999)

Hier finden Sie die Ersatzteilzeichnung für Toro Neu Mowers, Zero-Turn 74101 (620-Z) - Toro 620-Z Tractor, 1995 (590001-599999) CRANKSHAFT, CAMSHAFT & FLYWHEEL ASSEMBLY. Wählen Sie das benötigte Ersatzteil aus der Ersatzteilliste Ihres Toro Gerätes aus und bestellen Sie einfach online. Viele Toro Ersatzteile halten wir ständig in unserem Lager für Sie bereit.



