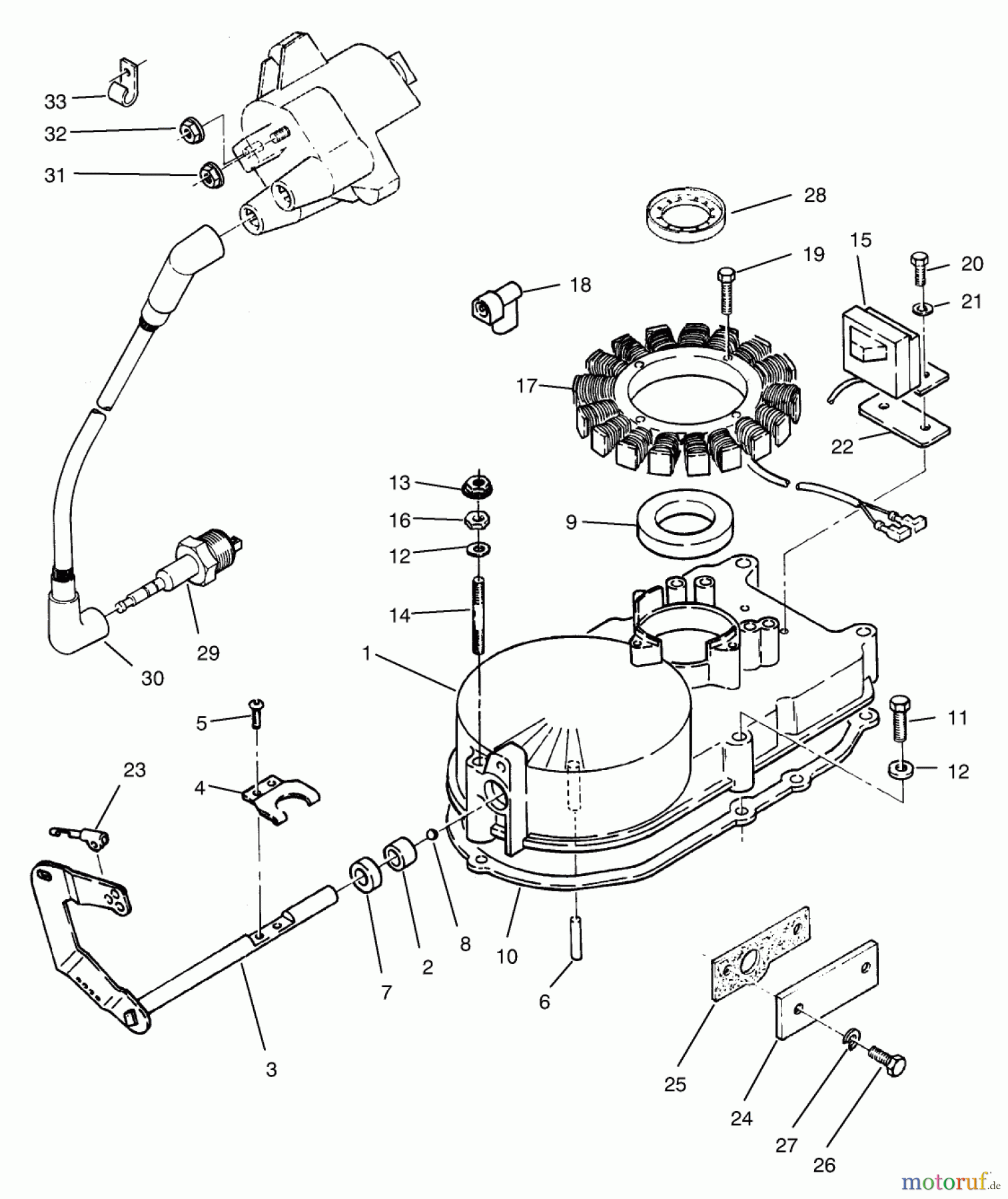
Toro 74041 (616-Z) - 616-Z Tractor, 1994 (49000001-49999999) GEARCASE & IGNITION ASSEMBLY Ersatzteile
GEARCASE & IGNITION ASSEMBLY 74041 (616-Z) - Toro 616-Z Tractor, 1994 (49000001-49999999)

Hier finden Sie die Ersatzteilzeichnung für Toro Neu Mowers, Zero-Turn 74041 (616-Z) - Toro 616-Z Tractor, 1994 (49000001-49999999) GEARCASE & IGNITION ASSEMBLY. Wählen Sie das benötigte Ersatzteil aus der Ersatzteilliste Ihres Toro Gerätes aus und bestellen Sie einfach online. Viele Toro Ersatzteile halten wir ständig in unserem Lager für Sie bereit.


Qualitätsmanagement
Informieren Sie uns, wenn Sie einen Fehler gefunden haben.

