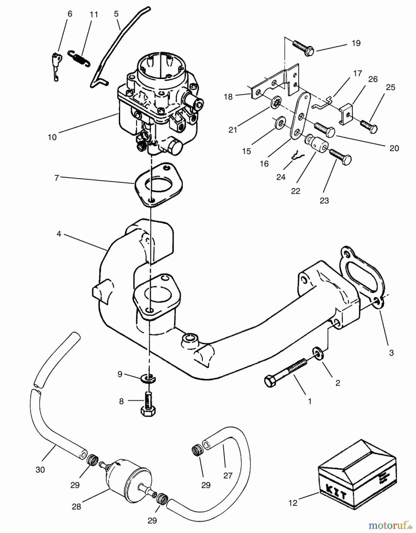
Toro 74041 (616-Z) - 616-Z Tractor, 1994 (49000001-49999999) CARBURETOR & INTAKE MANIFOLD ASSEMBLY Ersatzteile
CARBURETOR & INTAKE MANIFOLD ASSEMBLY 74041 (616-Z) - Toro 616-Z Tractor, 1994 (49000001-49999999)

Hier finden Sie die Ersatzteilzeichnung für Toro Neu Mowers, Zero-Turn 74041 (616-Z) - Toro 616-Z Tractor, 1994 (49000001-49999999) CARBURETOR & INTAKE MANIFOLD ASSEMBLY. Wählen Sie das benötigte Ersatzteil aus der Ersatzteilliste Ihres Toro Gerätes aus und bestellen Sie einfach online. Viele Toro Ersatzteile halten wir ständig in unserem Lager für Sie bereit.


