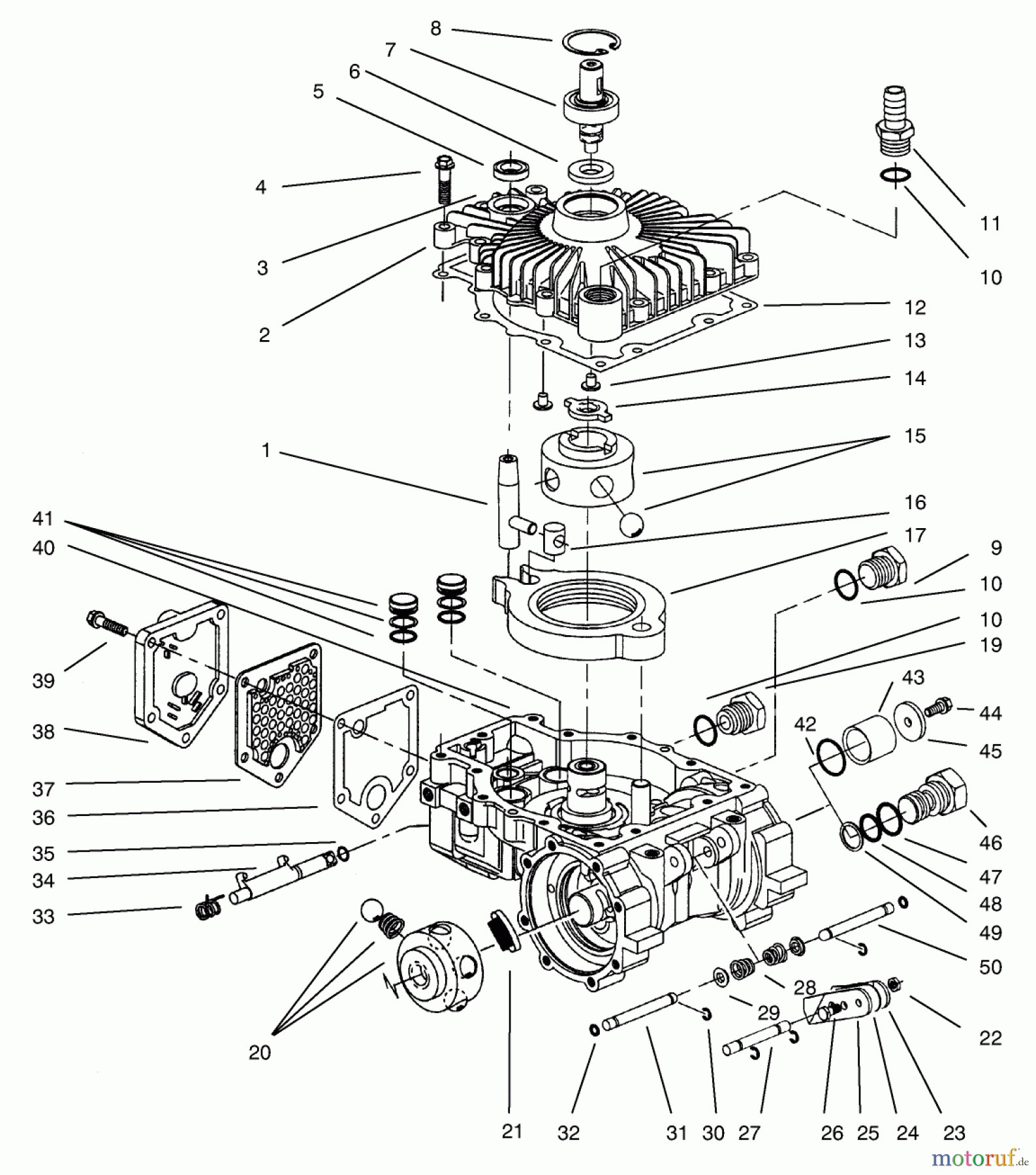
Toro 74021 (616-Z) - 616-Z Tractor, 1993 (39000001-39999999) TRANSMISSION ASSEMBLY EATON MODEL 781-016 #1 Ersatzteile
TRANSMISSION ASSEMBLY EATON MODEL 781-016 #1 74021 (616-Z) - Toro 616-Z Tractor, 1993 (39000001-39999999)

Hier finden Sie die Ersatzteilzeichnung für Toro Neu Mowers, Zero-Turn 74021 (616-Z) - Toro 616-Z Tractor, 1993 (39000001-39999999) TRANSMISSION ASSEMBLY EATON MODEL 781-016 #1. Wählen Sie das benötigte Ersatzteil aus der Ersatzteilliste Ihres Toro Gerätes aus und bestellen Sie einfach online. Viele Toro Ersatzteile halten wir ständig in unserem Lager für Sie bereit.


Qualitätsmanagement
Informieren Sie uns, wenn Sie einen Fehler gefunden haben.

