Toro 136E (RZT420H) - RZT420H Riding Mower, 2009 (290000001-290999999) ELECTRICAL ASSEMBLY Ersatzteile
ELECTRICAL ASSEMBLY 136E (RZT420H) - Toro RZT420H Riding Mower, 2009 (290000001-290999999)

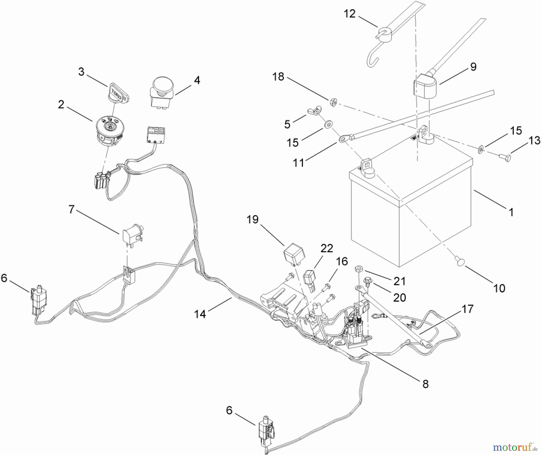
Hier finden Sie die Ersatzteilzeichnung für Toro Neu Mowers, Zero-Turn 136E (RZT420H) - Toro RZT420H Riding Mower, 2009 (290000001-290999999) ELECTRICAL ASSEMBLY. Wählen Sie das benötigte Ersatzteil aus der Ersatzteilliste Ihres Toro Gerätes aus und bestellen Sie einfach online. Viele Toro Ersatzteile halten wir ständig in unserem Lager für Sie bereit.


Qualitätsmanagement
Informieren Sie uns, wenn Sie einen Fehler gefunden haben.

