Toro 23300 - Lawnmower, 1965 (5000001-5999999) 34" HEVI-DUTY PARTS LIST Ersatzteile
34" HEVI-DUTY PARTS LIST 23300 - Toro Lawnmower, 1965 (5000001-5999999)

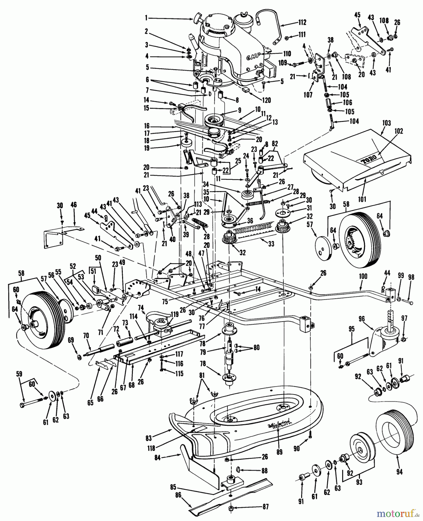
Hier finden Sie die Ersatzteilzeichnung für Toro Neu Mowers, Wide-Area Walk-Behind 23300 - Toro Lawnmower, 1965 (5000001-5999999) 34" HEVI-DUTY PARTS LIST. Wählen Sie das benötigte Ersatzteil aus der Ersatzteilliste Ihres Toro Gerätes aus und bestellen Sie einfach online. Viele Toro Ersatzteile halten wir ständig in unserem Lager für Sie bereit.


Qualitätsmanagement
Informieren Sie uns, wenn Sie einen Fehler gefunden haben.





