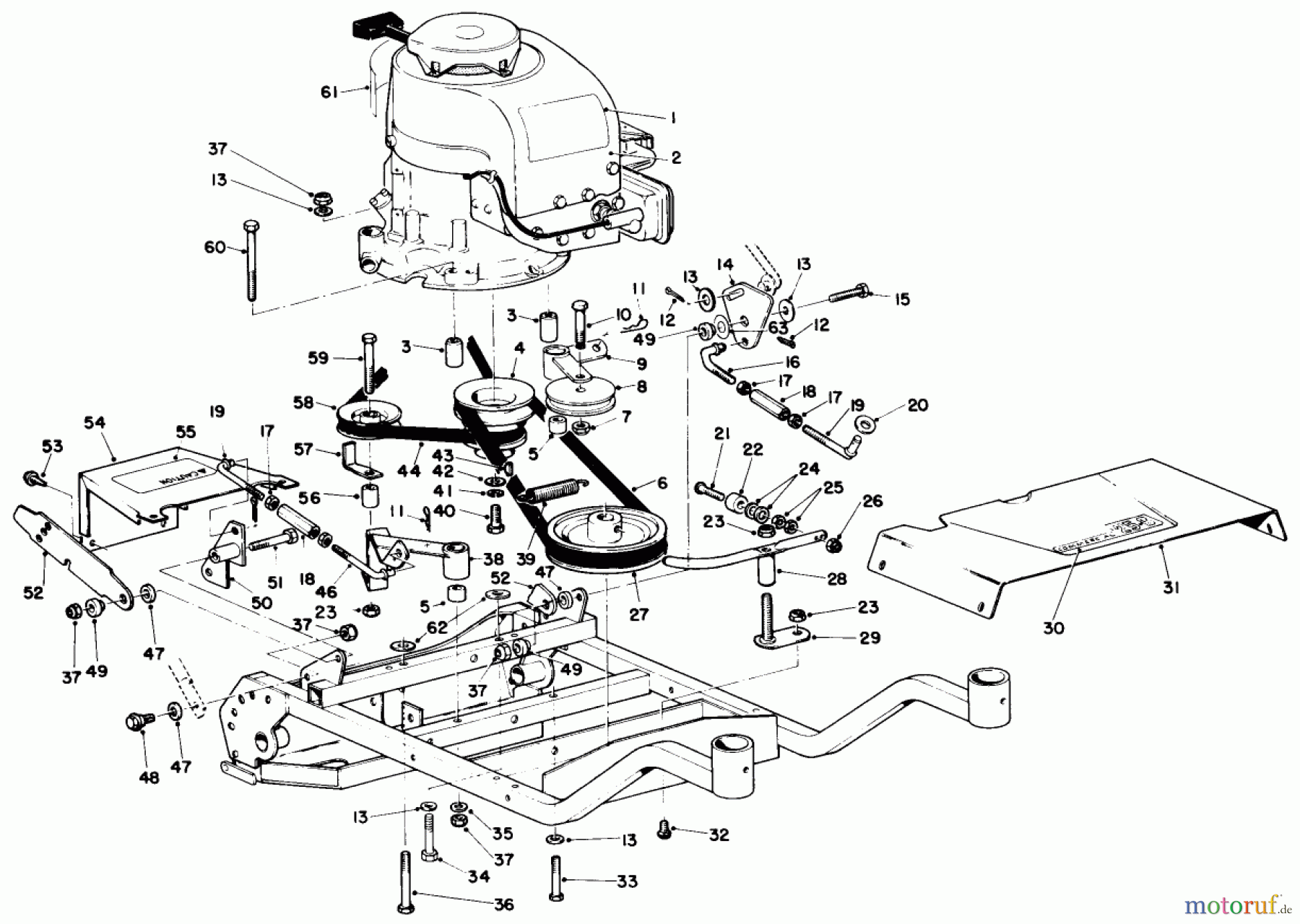
Toro 23267 - Lawnmower, 1984 (4000001-4999999) ENGINE AND FRAME ASSEMBLY Ersatzteile
ENGINE AND FRAME ASSEMBLY 23267 - Toro Lawnmower, 1984 (4000001-4999999)

Hier finden Sie die Ersatzteilzeichnung für Toro Neu Mowers, Wide-Area Walk-Behind 23267 - Toro Lawnmower, 1984 (4000001-4999999) ENGINE AND FRAME ASSEMBLY. Wählen Sie das benötigte Ersatzteil aus der Ersatzteilliste Ihres Toro Gerätes aus und bestellen Sie einfach online. Viele Toro Ersatzteile halten wir ständig in unserem Lager für Sie bereit.


Qualitätsmanagement
Informieren Sie uns, wenn Sie einen Fehler gefunden haben.






