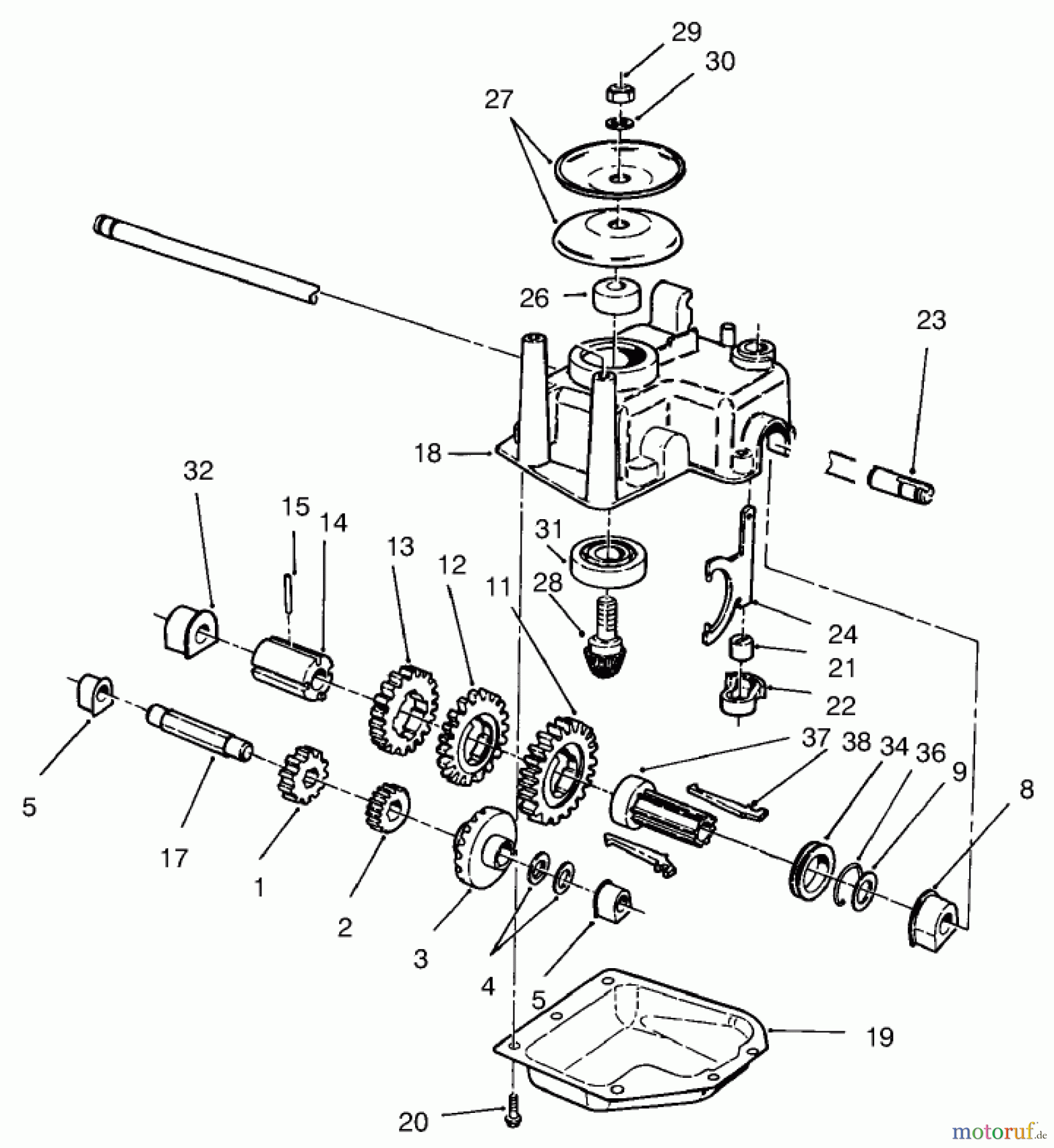
Toro 26637 - Lawnmower, 1999 (9900001-9999999) GEAR CASE ASSEMBLY NO. 62-6673 Ersatzteile
GEAR CASE ASSEMBLY NO. 62-6673 26637 - Toro Lawnmower, 1999 (9900001-9999999)

Hier finden Sie die Ersatzteilzeichnung für Toro Neu Mowers, Walk-Behind Seite 2 26637 - Toro Lawnmower, 1999 (9900001-9999999) GEAR CASE ASSEMBLY NO. 62-6673. Wählen Sie das benötigte Ersatzteil aus der Ersatzteilliste Ihres Toro Gerätes aus und bestellen Sie einfach online. Viele Toro Ersatzteile halten wir ständig in unserem Lager für Sie bereit.


Qualitätsmanagement
Informieren Sie uns, wenn Sie einen Fehler gefunden haben.









