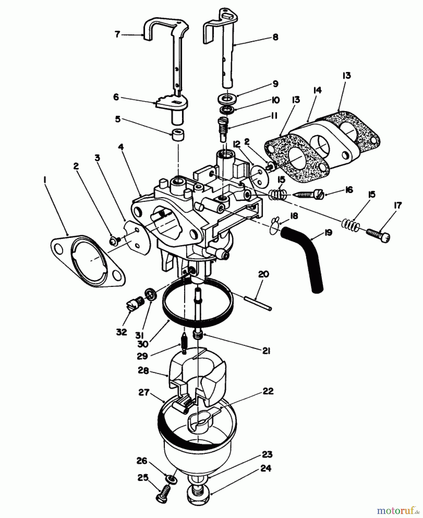
Toro 26625BG - Lawnmower, 1992 (2000001-2999999) CARBURETOR ASSEMBLY (ENGINE NO. VMM1-5) Ersatzteile
CARBURETOR ASSEMBLY (ENGINE NO. VMM1-5) 26625BG - Toro Lawnmower, 1992 (2000001-2999999)

Hier finden Sie die Ersatzteilzeichnung für Toro Neu Mowers, Walk-Behind Seite 2 26625BG - Toro Lawnmower, 1992 (2000001-2999999) CARBURETOR ASSEMBLY (ENGINE NO. VMM1-5). Wählen Sie das benötigte Ersatzteil aus der Ersatzteilliste Ihres Toro Gerätes aus und bestellen Sie einfach online. Viele Toro Ersatzteile halten wir ständig in unserem Lager für Sie bereit.




