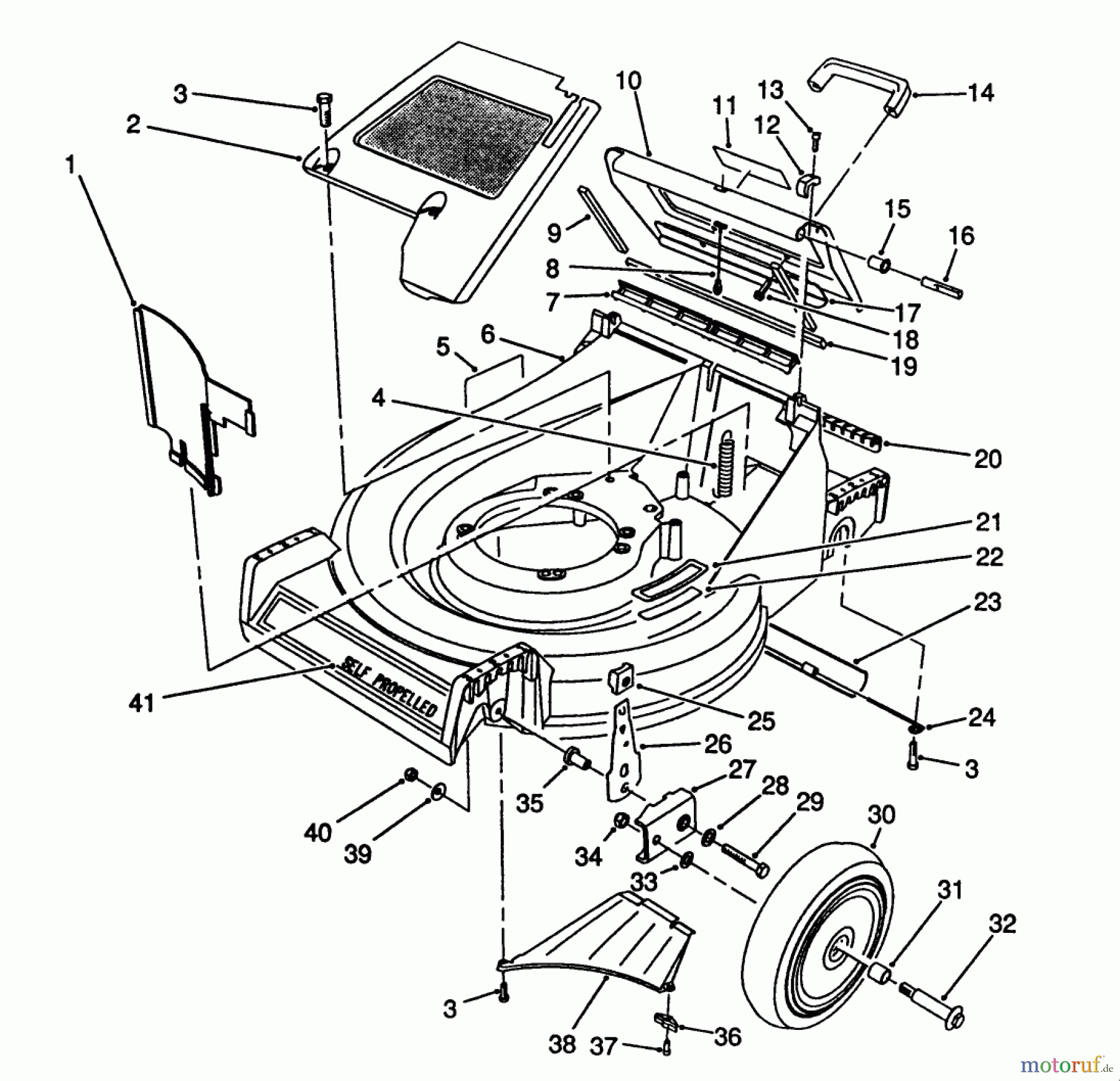
Toro 26622 - Lawnmower, 1989 (9000001-9999999) HOUSING ASSEMBLY (UNIT SERIAL NO. 9002426 THRU 9010533) Ersatzteile
HOUSING ASSEMBLY (UNIT SERIAL NO. 9002426 THRU 9010533) 26622 - Toro Lawnmower, 1989 (9000001-9999999)

Hier finden Sie die Ersatzteilzeichnung für Toro Neu Mowers, Walk-Behind Seite 2 26622 - Toro Lawnmower, 1989 (9000001-9999999) HOUSING ASSEMBLY (UNIT SERIAL NO. 9002426 THRU 9010533). Wählen Sie das benötigte Ersatzteil aus der Ersatzteilliste Ihres Toro Gerätes aus und bestellen Sie einfach online. Viele Toro Ersatzteile halten wir ständig in unserem Lager für Sie bereit.







