Toro 26551 - Lawnmower, 1989 (9000001-9999999) ENGINE MODEL NO. TVS840-8014B Ersatzteile
ENGINE MODEL NO. TVS840-8014B 26551 - Toro Lawnmower, 1989 (9000001-9999999)

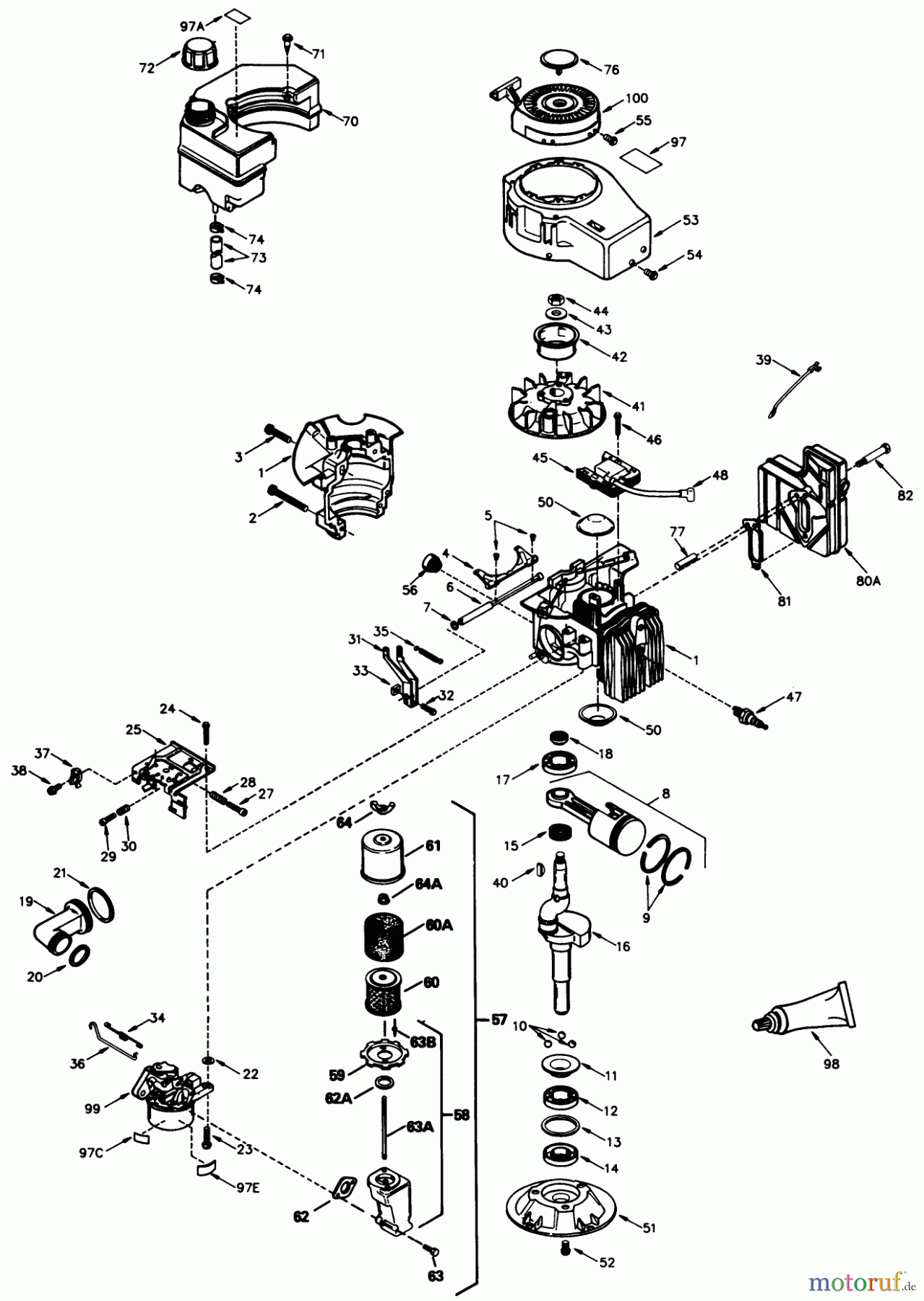
Hier finden Sie die Ersatzteilzeichnung für Toro Neu Mowers, Walk-Behind Seite 2 26551 - Toro Lawnmower, 1989 (9000001-9999999) ENGINE MODEL NO. TVS840-8014B. Wählen Sie das benötigte Ersatzteil aus der Ersatzteilliste Ihres Toro Gerätes aus und bestellen Sie einfach online. Viele Toro Ersatzteile halten wir ständig in unserem Lager für Sie bereit.





