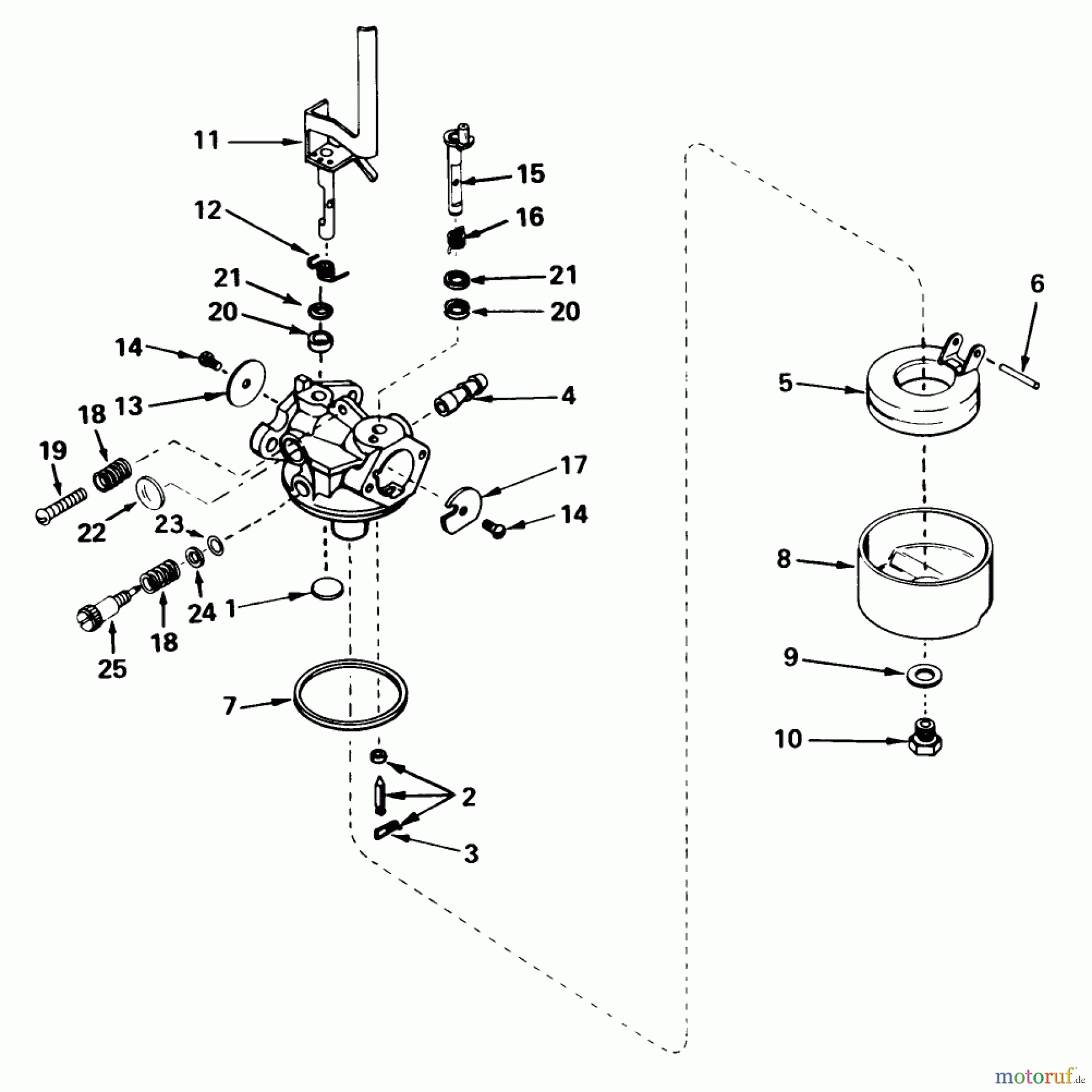
Toro 23375 - 21" Commercial Lawnmower, 1980 (0000001-0999999) CARBURETOR NO. 632170 Ersatzteile
CARBURETOR NO. 632170 23375 - Toro 21" Commercial Lawnmower, 1980 (0000001-0999999)

Hier finden Sie die Ersatzteilzeichnung für Toro Neu Mowers, Walk-Behind Seite 2 23375 - Toro 21" Commercial Lawnmower, 1980 (0000001-0999999) CARBURETOR NO. 632170. Wählen Sie das benötigte Ersatzteil aus der Ersatzteilliste Ihres Toro Gerätes aus und bestellen Sie einfach online. Viele Toro Ersatzteile halten wir ständig in unserem Lager für Sie bereit.



