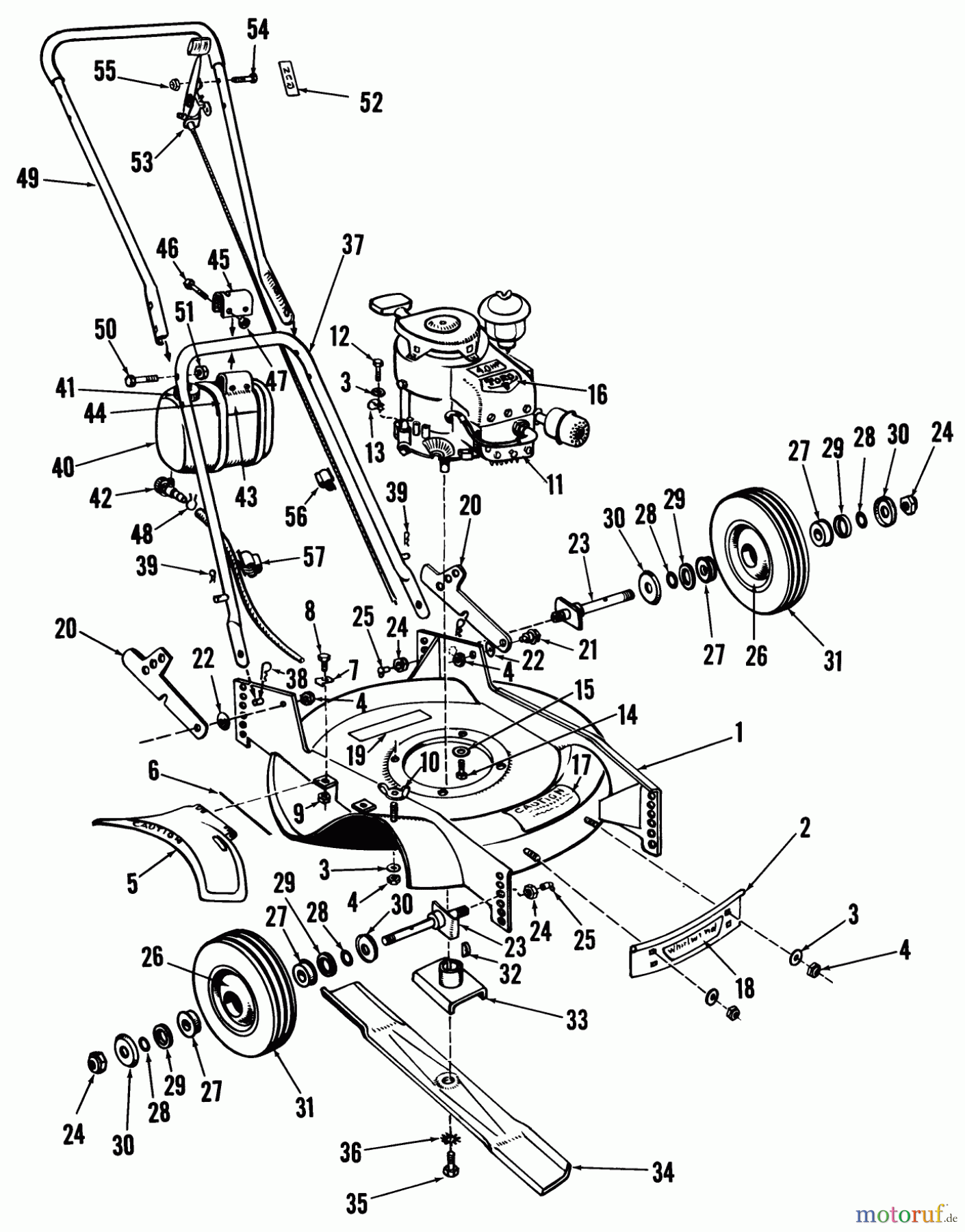
Toro 23100 - 21" Whirlwind Hevi-Duty Lawnmower, 1964 (4000001-4999999) 21" WHIRLWIND HEVI-DUTY HAND PROPELLED MOWER PARTS LIST Ersatzteile
21" WHIRLWIND HEVI-DUTY HAND PROPELLED MOWER PARTS LIST 23100 - Toro 21" Whirlwind Hevi-Duty Lawnmower, 1964 (4000001-4999999)

Hier finden Sie die Ersatzteilzeichnung für Toro Neu Mowers, Walk-Behind Seite 2 23100 - Toro 21" Whirlwind Hevi-Duty Lawnmower, 1964 (4000001-4999999) 21" WHIRLWIND HEVI-DUTY HAND PROPELLED MOWER PARTS LIST. Wählen Sie das benötigte Ersatzteil aus der Ersatzteilliste Ihres Toro Gerätes aus und bestellen Sie einfach online. Viele Toro Ersatzteile halten wir ständig in unserem Lager für Sie bereit.








